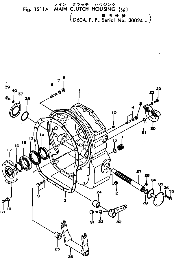
Запчасти Komatsu D60P-6 ОСНОВН. МУФТА КОЖУХ (/)(№-) ОСНОВН. МУФТА И ТРАНСМИССИЯ

Схема запчастей Komatsu D60P-6 - ОСНОВН. МУФТА КОЖУХ (/)(№-) ОСНОВН. МУФТА И ТРАНСМИССИЯ
FIT
1:1
100%

Артикул

Название

Примечание

Количество

|1

144-10-00017

CLUTCH ASS'Y

SN: 28533-UP

1шт.

|1

144-10-00016

CLUTCH ASS'Y

SN: 26711-28532

1шт.

|1

144-10-00015

CLUTCH ASS'Y

SN: 25044-26710

1шт.

|1

0

CLUTCH ASS'Y

SN: 22388-25043

1шт.

|1

144-10-00013

CLUTCH ASS'Y

SN: 21140-22387

1шт.

|1

0

CLUTCH ASS'Y

SN: 20032-21139

1шт.

|1

144-10-00011

CLUTCH ASS'Y

SN: 20024-20031

1шт.

|1

144-10-00023

HOUSING ASS'Y

SN: 28533-UP

1шт.

|1

144-10-00022

HOUSING ASS'Y

SN: 22388-28532

1шт.

|1

144-10-00021

HOUSING ASS'Y

SN: 20024-22387

1шт.

1

141-10-32114

HOUSING

SN: 28533-UP

1шт.

|1

0

HOUSING

SN: 20024-28532

1шт.

|$$13

(141-10-32114{07042-00617)}

-1шт.

2

07043-00617

PLUG

SN: 20024-UP

1шт.

3

141-10-32120

GASKET

SN: 20006-UP

1шт.

4

01140-31230

STUD

SN: 20006-UP

6шт.

|4

01602-01236

WASHER

SN: 20006-UP

6шт.

5

01582-01210

NUT

SN: 20006-UP

6шт.

6

01140-31235

STUD

SN: 20006-UP

2шт.

7

01602-01236

WASHER

SN: 20006-UP

2шт.

8

01582-01210

NUT

SN: 20006-UP

2шт.

9

01010-31240

BOLT

SN: 20006-UP

9шт.

|9

01602-01236

WASHER

SN: 20006-UP

9шт.

10

07043-00617

PLUG

SN: .-UP

1шт.

|10

0

PLUG

SN: 28533-.

1шт.

|10

07042-00415

PLUG

SN: 20024-28532

1шт.

11

07044-13620

PLUG

SN: 22388-UP

1шт.

|11

0

PLUG

SN: 20006-22387

1шт.

12

07000-03032

O-RING

SN: 20006-UP

1шт.

13

141-10-32211

COLLAR

SN: .-UP

1шт.

|13

0

COLLAR

SN: 20006-.

1шт.

14

07012-10085

SEAL

SN: 20006-UP

1шт.

15

06042-00214

BEARING

SN: 20006-UP

1шт.

16

150-10-11360

RING

SN: 20006-UP

1шт.

17

141-10-32181

RETAINER

SN: 20006-UP

1шт.

18

01010-31030

BOLT

SN: 20006-UP

5шт.

19

150-10-11180

WASHER

SN: 20006-UP

5шт.

20

141-10-32220

TUBE

SN: 20006-UP

1шт.

21

07000-03025

O-RING

SN: 20006-UP

2шт.

22

01010-31050

BOLT

SN: 20006-UP

4шт.

23

01602-01030

WASHER

SN: 20006-UP

4шт.

24

170-10-16120

BUSHING

SN: 20006-UP

1шт.

25

175-10-12230

BUSHING

SN: 20006-UP

1шт.

26

141-10-32270

YOKE

SN: 21140-UP

1шт.

|26

0

YOKE

SN: 20006-21139

1шт.

|$$46

(141-10-32270{141-10-32260(2))}

-1шт.

27

141-10-32280

SHAFT

SN: 20006-UP

1шт.

28

04010-00732

KEY

SN: 20006-UP

1шт.

29

130-09-16420

RING

SN: 20006-UP

1шт.

30

141-10-32380

LEVER

SN: 20024-UP

1шт.

31

01010-31650

BOLT

SN: 22388-UP

1шт.

|31

0

BOLT

SN: 20006-22387

1шт.

32

01602-01648

WASHER

SN: 20006-UP

1шт.

33

141-10-32153

COVER

SN: 20024-UP

1шт.

34

07000-02080

O-RING

SN: 20024-UP

1шт.

35

01010-31025

BOLT

SN: 20006-UP

4шт.

36

01602-01030

WASHER

SN: 20006-UP

4шт.

37

141-10-32162

COVER

SN: 20006-UP

1шт.

38

07000-02080

O-RING

SN: 20024-UP

1шт.

39

01010-31025

BOLT

SN: 20032-UP

4шт.

|39

01040-31030

BOLT

SN: 20006-20031

4шт.

40

01602-01030

WASHER

SN: 20006-UP

4шт.

Выбрано товаров: 62