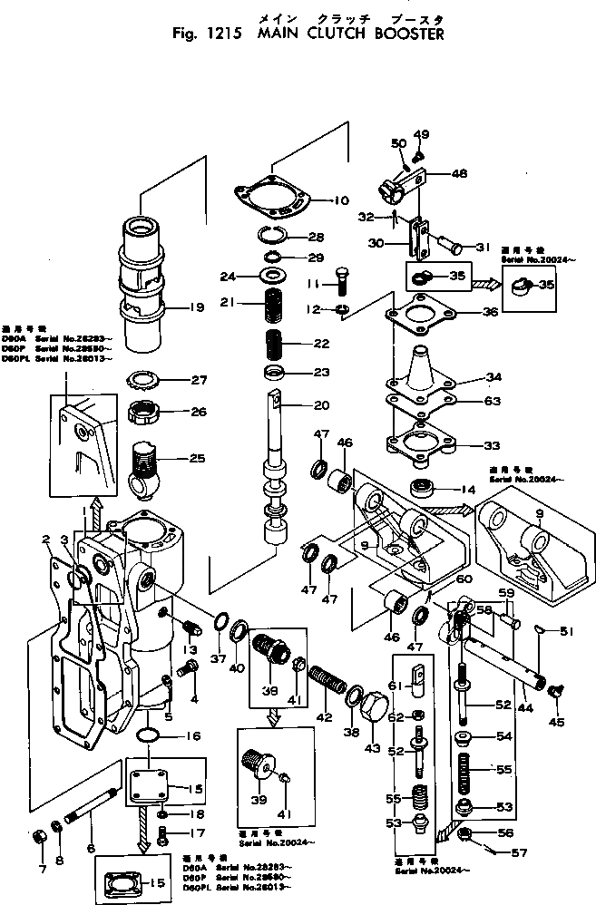
Запчасти Komatsu D60P-6 ОСНОВН. МУФТА УСИЛИТЕЛЬ ОСНОВН. МУФТА И ТРАНСМИССИЯ

Схема запчастей Komatsu D60P-6 - ОСНОВН. МУФТА УСИЛИТЕЛЬ ОСНОВН. МУФТА И ТРАНСМИССИЯ
FIT
1:1
100%

Артикул

Название

Примечание

Количество

|1

144-10-00017

CLUTCH ASS'Y

SN: 28533-UP

1шт.

|1

144-10-00016

CLUTCH ASS'Y

SN: 26711-28532

1шт.

|1

144-10-00015

CLUTCH ASS'Y

SN: 25220-26710

1шт.

|1

0

CLUTCH ASS'Y

SN: 22388-25219

1шт.

|1

144-10-00013

CLUTCH ASS'Y

SN: 21360-22387

1шт.

|1

0

CLUTCH ASS'Y

SN: 20032-21359

1шт.

|1

144-10-00011

CLUTCH ASS'Y

SN: 20024-20031

1шт.

|1

144-10-00010

CLUTCH ASS'Y

SN: 20006-20021

1шт.

|1

141-10-00535

BOOSTER ASS'Y

SN: 28533-UP

1шт.

|1

141-10-00534

BOOSTER ASS'Y

SN: 26711-28532

1шт.

|1

0

BOOSTER ASS'Y

SN: 22388-26710

1шт.

|1

141-10-00532

BOOSTER ASS'Y

SN: 20032-22387

1шт.

|1

141-10-00531

BOOSTER ASS'Y

SN: 20024-20031

1шт.

|1

141-10-00530

BOOSTER ASS'Y

SN: 20006-20021

1шт.

1

141-10-34112

HOUSING

SN: 28580-UP

1шт.

|1

141-10-34111

HOUSING

SN: 20024-28579

1шт.

|1

141-10-34110

HOUSING

SN: 20006-20021

1шт.

2

141-10-34120

GASKET

SN: 20006-UP

1шт.

3

170-10-15130

O-RING

SN: 20006-UP

1шт.

4

01010-31030

BOLT

SN: 20006-UP

7шт.

5

01602-01030

WASHER

SN: 20006-UP

7шт.

6

01140-31050

STUD

SN: 20006-UP

3шт.

7

01582-01008

NUT

SN: 20006-UP

3шт.

8

01602-01030

WASHER

SN: 20006-UP

3шт.

9

141-10-34133

BRACKET

SN: 20024-UP

1шт.

|9

141-10-34132

BRACKET

SN: 20006-20021

1шт.

10

141-10-34150

GASKET

SN: 20006-UP

1шт.

11

01010-31055

BOLT

SN: 20024-UP

4шт.

|11

01040-31060

BOLT

SN: 20006-20021

4шт.

12

01602-01030

WASHER

SN: 20006-UP

4шт.

13

07042-00108

PLUG

SN: 20006-UP

1шт.

14

07017-00022

SEAL

SN: 28580-UP

1шт.

|14

07012-10022

SEAL

SN: 20054-28579

1шт.

|14

0

SEAL

SN: 20006-20053

1шт.

15

141-10-34320

COVER

SN: 28580-UP

1шт.

|15

170-10-15150

COVER

SN: 20006-28579

1шт.

16

07000-03040

O-RING

SN: 20006-UP

1шт.

17

01010-30820

BOLT

SN: 22388-UP

4шт.

|17

0

BOLT

SN: 20006-22387

4шт.

18

01602-00825

WASHER

SN: 20006-UP

4шт.

19

170-10-15223

PISTON

SN: 26711-UP

1шт.

|19

0

PISTON

SN: 20006-26710

1шт.

|$$43

(170-10-15223{170-10-15243¤}

-1шт.

|$$44

170-10-15231{170-10-15251)}

-1шт.

20

170-10-15243

VALVE

SN: 26711-UP

1шт.

|20

0

SPOOL

SN: 20006-26710

1шт.

|$$47

(170-10-15243{170-10-15223¤}

-1шт.

|$$48

170-10-15231{170-10-15251)}

-1шт.

21

131-10-25160

SPRING

SN: 20006-UP

1шт.

22

170-10-15272

SPRING

SN: 20006-UP

1шт.

23

170-10-15281

SPACER

SN: 20006-UP

1шт.

24

170-10-15290

WASHER

SN: 20006-UP

1шт.

25

170-10-15190

COUPLING

SN: 20006-UP

1шт.

26

01530-03912

NUT

SN: 20006-UP

1шт.

27

170-10-15211

WASHER

SN: 26711-UP

1шт.

|27

170-10-15210

WASHER

SN: 20006-26710

1шт.

28

170-10-15231

RING

SN: 26711-UP

1шт.

|28

130-09-15410

RING

SN: 20006-26710

1шт.

29

170-10-15251

RING

SN: 26711-UP

1шт.

|29

04064-02212

RING

SN: 20006-26710

1шт.

30

141-10-34170

LINK

SN: 20006-UP

2шт.

31

170-10-15370

PIN

SN: 20006-UP

2шт.

32

04050-03020

PIN

SN: 20006-UP

2шт.

33

141-10-34210

SPACER

SN: 20006-20021

1шт.

34

141-10-34221

BOOT

SN: .-UP

1шт.

|34

0

BOOT

SN: 20006-.

1шт.

35

150-14-15260

CLAMP

SN: 20024-UP

1шт.

|35

07280-02323

CLAMP

SN: 20006-20021

1шт.

|35

01210-20416

SCREW

SN: 20024-UP

1шт.

|35

01580-00403

NUT

SN: 22388-UP

1шт.

|35

01500-30404

NUT

SN: 20024-22387

1шт.

36

141-10-34230

PLATE

SN: 20006-UP

1шт.

|37

141-10-00552

RELIEF VALVE ASS'Y

SN: 22388-UP

1шт.

|37

141-10-00551

RELIEF VALVE ASS'Y

SN: 20024-22387

1шт.

|37

141-10-00550

RELIEF VALVE ASS'Y

SN: 20006-20021

1шт.

37

170-10-15330

O-RING

SN: 20006-UP

1шт.

38

170-10-91130

PACKING

SN: 20006-UP

1шт.

39

141-10-34280

SEAL

SN: 20024-UP

1шт.

|39

150-11-13220

SEAT

SN: 20006-20021

1шт.

40

07000-02014

O-RING

SN: 20024-UP

1шт.

|40

170-10-15351

GASKET

SN: 20006-20021

1шт.

41

141-10-34260

VALVE

SN: 20024-UP

1шт.

|41

150-11-13231

VALVE

SN: 20006-20021

1шт.

42

141-10-34141

SPRING

SN: 20024-UP

1шт.

|42

141-10-34140

SPRING

SN: 20006-20021

1шт.

43

141-10-34271

PLUG

SN: 22388-UP

1шт.

|43

141-10-34270

PLUG

SN: 20024-22387

1шт.

|43

150-11-13240

NUT

SN: 20006-20021

1шт.

44

141-10-35113

SHAFT

SN: 20032-UP

1шт.

|44

141-10-35112

SHAFT

SN: 20024-20031

1шт.

|44

141-10-35111

SHAFT

SN: 20006-20021

1шт.

45

07020-00675

FITTING

SN: 22388-UP

1шт.

|45

07020-00675

FITTING

SN: 20024-22387

7шт.

|45

07020-00675

FITTING

SN: 20006-20021

2шт.

46

06120-02216

BEARING

SN: 20006-UP

2шт.

47

06122-02204

SEAL

SN: 20006-UP

4шт.

48

141-10-35123

LEVER

SN: 20032-UP

1шт.

|48

141-10-35122

LEVER

SN: 20024-20031

1шт.

|48

141-10-35121

LEVER

SN: 20006-20021

1шт.

49

01010-30825

BOLT

SN: 22388-UP

1шт.

|49

0

BOLT

SN: 20006-22387

1шт.

50

01602-00825

WASHER

SN: 20006-UP

1шт.

51

04000-00522

KEY

SN: 20032-UP

1шт.

|51

04000-00538

KEY

SN: 20032-UP

2шт.

|51

04010-00516

KEY

SN: 20006-20031

3шт.

52

141-10-33230

ROD

SN: 20024-UP

1шт.

|52

141-10-33130

ROD

SN: 20006-20021

1шт.

|52

141-10-13240

GUIDE (WELDED)

SN: 20024-UP

1шт.

53

141-10-33261

GUIDE

SN: 20024-UP

1шт.

|53

141-10-13210

GUIDE

SN: 20006-20021

1шт.

54

141-10-13240

GUIDE

SN: 20006-20021

1шт.

55

141-10-33251

SPRING

SN: 20032-UP

1шт.

|55

141-10-33250

SPRING

SN: 20024-20031

1шт.

|55

141-10-33140

SPRING

SN: 20006-20021

1шт.

56

01593-01008

NUT

SN: 20006-UP

1шт.

57

04050-02018

PIN

SN: 20006-UP

1шт.

58

04210-01040

YOKE

SN: 20006-20021

1шт.

59

04205-01028

PIN

SN: 20006-20021

1шт.

60

04050-03015

PIN

SN: 20006-20021

1шт.

61

141-10-33240

JOINT

SN: 20024-UP

1шт.

62

01582-01008

NUT

SN: 20024-UP

1шт.

63

141-10-34310

PLATE

SN: 28580-UP

1шт.

Выбрано товаров: 122