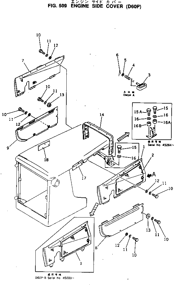
Запчасти Komatsu D60P-8 БОКОВ. КРЫШКА ДВИГ. ЧАСТИ КОРПУСА

Схема запчастей Komatsu D60P-8 - БОКОВ. КРЫШКА ДВИГ. ЧАСТИ КОРПУСА
FIT
1:1
100%

Артикул

Название

Примечание

Количество

|1

14G-54-00021

COVER ASS'Y,L.H.

SN: 45003-UP

1шт.

|1

0

COVER ASS'Y,L.H.

SN: 45001-45002

1шт.

1

0

COVER,L.H.

SN: 45003-UP

1шт.

|1

0

COVER,L.H.

SN: 45001-45002

1шт.

2

144-54-24640

COVER,L.H.

SN: 45001-UP

1шт.

3

09459-11033

LOCK

SN: 45001-UP

2шт.

4

09459-01614

SPRING

SN: 45001-UP

2шт.

5

01642-21016

WASHER

SN: 45001-UP

2шт.

6

04050-13015

PIN,COTTER

SN: 45001-UP

2шт.

7

14G-54-13130

COVER,R.H.

SN: 45001-UP

1шт.

8

144-54-14651

COVER,L.H.

SN: .-UP

1шт.

|8

0

COVER,L.H.

SN: 45001-.

1шт.

9

144-54-14661

COVER,R.H.

SN: .-UP

1шт.

|9

0

COVER,R.H.

SN: 45001-.

1шт.

10

01010-51235

BOLT

SN: 45001-UP

26шт.

11

01602-21236

WASHER,SPRING

SN: 45001-UP

26шт.

12

01643-31232

WASHER

SN: 45001-UP

22шт.

13

144-54-24430

WASHER

SN: 45001-UP

4шт.

14

144-54-24230

COVER

SN: 45001-UP

1шт.

15

01010-51470

BOLT

SN: 45264-UP

6шт.

|15

01010-51440

BOLT

SN: 45001-45263

8шт.

15A

01010-51495

BOLT

SN: 45264-UP

2шт.

16

01602-21442

WASHER,SPIRNG

SN: 45001-UP

8шт.

16A

144-54-51270

COLLAR

SN: 45264-UP

6шт.

16B

144-54-51280

COLLAR

SN: 45264-UP

2шт.

17

14G-54-11171

PLATE,L.H.

SN: 45001-UP

1шт.

18

14G-54-11181

PLATE,R.H.

SN: 45001-UP

1шт.

Выбрано товаров: 27