Запчасти Komatsu D60P-8 КАБИНА ROPS (/) ОПЦИОННЫЕ КОМПОНЕНТЫ

Схема запчастей Komatsu D60P-8 - КАБИНА ROPS (/) ОПЦИОННЫЕ КОМПОНЕНТЫ
FIT
1:1
100%

Артикул

Название

Примечание

Количество

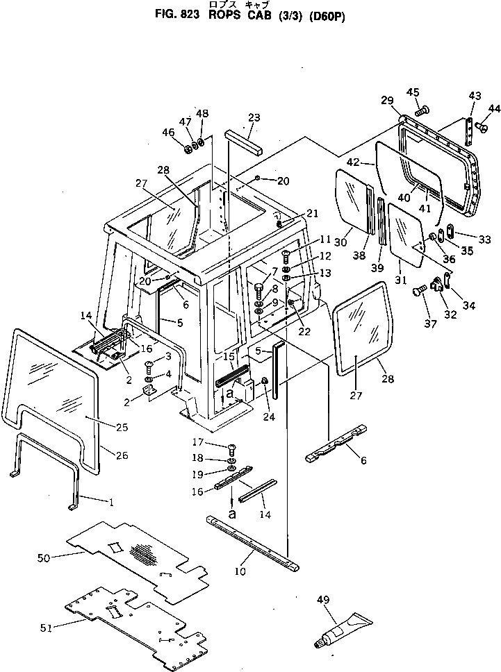
1

120-Y79-4660

SEAL

SN: 45001-UP

1шт.

2

120-Y79-4670

PLATE

SN: 45001-UP

2шт.

3

01220-40612

SCREW

SN: 45001-UP

4шт.

4

01602-00619

WASHER,SPRING

SN: 45001-UP

4шт.

5

120-Y79-4680

SEAL

SN: 45001-UP

2шт.

6

120-Y79-4690

SEAL

SN: 45001-UP

2шт.

7

01220-40616

SCREW

SN: 45001-UP

8шт.

8

01602-00619

WASHER,SPRING

SN: 45001-UP

8шт.

9

01642-20608

WASHER

SN: 45001-UP

8шт.

10

120-Y79-4710

SEAL

SN: 45001-UP

1шт.

11

01220-40616

SCREW

SN: 45001-UP

5шт.

12

01602-00619

WASHER,SPRING

SN: 45001-UP

5шт.

13

01642-20608

WASHER

SN: 45001-UP

5шт.

14

120-Y79-4630

SEAL

SN: 45001-UP

2шт.

15

120-Y79-4640

SEAL

SN: 45001-UP

2шт.

16

120-Y79-4650

PROTECTOR

SN: 45001-UP

2шт.

17

01220-40616

SCREW

SN: 45001-UP

10шт.

18

01602-00619

WASHER,SPRING

SN: 45001-UP

10шт.

19

01642-00608

WASHER

SN: 45001-UP

10шт.

20

09415-00506

CAP

SN: 45001-UP

2шт.

21

07049-01012

PLUG

SN: 45001-UP

1шт.

22

07048-02216

PLUG

SN: 45001-UP

1шт.

23

120-Y79-4770

SEAL

SN: 45001-UP

1шт.

24

07048-01510

PLUG

SN: 45001-UP

6шт.

25

120-Y79-4510

GLASS,FRONT

SN: 45001-UP

1шт.

26

09410-40550

STRIP

SN: 45001-UP

1шт.

27

120-Y79-4520

GLASS,SIDE

SN: 45001-UP

2шт.

28

09410-00300

STRIP

SN: 45001-UP

2шт.

|29

120-Y79-4800

SASH ASS'Y

SN: 45001-UP

1шт.

29

120-Y79-4900

SASH SUB ASS'Y

SN: 45001-UP

1шт.

30

120-Y79-4840

GLASS,OUTER

SN: 45001-UP

1шт.

31

120-Y79-4850

GLASS,INNER

SN: 45001-UP

1шт.

32

205-54-53160

LOCK

SN: 45001-UP

1шт.

33

205-54-53170

RETAINER

SN: 45001-UP

1шт.

34

205-54-53260

PACKING

SN: 45001-UP

1шт.

35

205-54-53250

PACKING

SN: 45001-UP

1шт.

36

205-54-53270

PACKING

SN: 45001-UP

1шт.

37

01225-40408

SCREW

SN: 45001-UP

2шт.

38

120-Y79-4810

SASH

SN: 45001-UP

1шт.

39

120-Y79-4870

STRIP,WEATHER

SN: 45001-UP

1шт.

40

120-Y79-4820

CHANNEL,RUN

SN: 45001-UP

1шт.

41

120-Y79-4830

CHANNEL,RUN

SN: 45001-UP

1шт.

42

120-Y79-4860

STRIP,WEATHER

SN: 45001-UP

2шт.

43

201-54-27580

COMBINER

SN: 45001-UP

1шт.

44

201-54-27590

RIVET,POP

SN: 45001-UP

4шт.

45

01224-40416

SCREW

SN: 45001-UP

28шт.

46

01580-10403

NUT

SN: 45001-UP

28шт.

47

01601-00410

WASHER,SPRING

SN: 45001-UP

28шт.

48

134-06-22130

WASHER

SN: 45001-UP

28шт.

49

120-Y79-4910

ADHESIVE

SN: 45001-UP

1шт.

50

144-862-8810

MAT

SN: 45001-UP

1шт.

51

144-862-8820

MAT

SN: 45001-UP

1шт.

Выбрано товаров: 52