Запчасти Komatsu D60P-8 КОМПРЕССОР И КОМПОНЕНТЫ (С КОНДИЦИОНЕРОМ) ОПЦИОННЫЕ КОМПОНЕНТЫ

Схема запчастей Komatsu D60P-8 - КОМПРЕССОР И КОМПОНЕНТЫ (С КОНДИЦИОНЕРОМ) ОПЦИОННЫЕ КОМПОНЕНТЫ
FIT
1:1
100%

Артикул

Название

Примечание

Количество

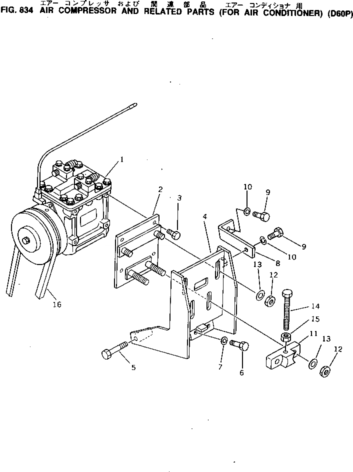
1

145-Z79-5400

COMPRESSOR ASS'Y

SN: 45001-UP

1шт.

2

144-Z79-5320

BRACKET

SN: 45001-UP

1шт.

3

01010-50820

BOLT

SN: 45001-UP

4шт.

4

144-Z79-5310

BRACKET

SN: 45001-UP

1шт.

5

01011-51055

BOLT

SN: 45001-UP

1шт.

6

01010-51030

BOLT

SN: 45001-UP

2шт.

7

01602-21030

WASHER,SPRING

SN: 45001-UP

2шт.

8

144-Z79-5340

BRACKET

SN: 45001-UP

1шт.

9

01010-51025

BOLT

SN: 45001-UP

2шт.

10

01602-21030

WASHER,SPRING

SN: 45001-UP

2шт.

11

144-Z79-5330

BLOCK

SN: 45001-UP

1шт.

12

01583-11207

NUT

SN: 45001-UP

4шт.

13

01643-31232

WASHER

SN: 45001-UP

4шт.

14

01016-51090

BOLT

SN: 45001-UP

1шт.

15

01580-11008

NUT

SN: 45001-UP

1шт.

16

04120-21755

V-BELT

SN: 45001-UP

1шт.

Выбрано товаров: 0