Запчасти Komatsu D60P-8 МАРКИРОВКА (КИТАЙ) ЧАСТИ КОРПУСА

Схема запчастей Komatsu D60P-8 - МАРКИРОВКА (КИТАЙ) ЧАСТИ КОРПУСА
FIT
1:1
100%

Артикул

Название

Примечание

Количество

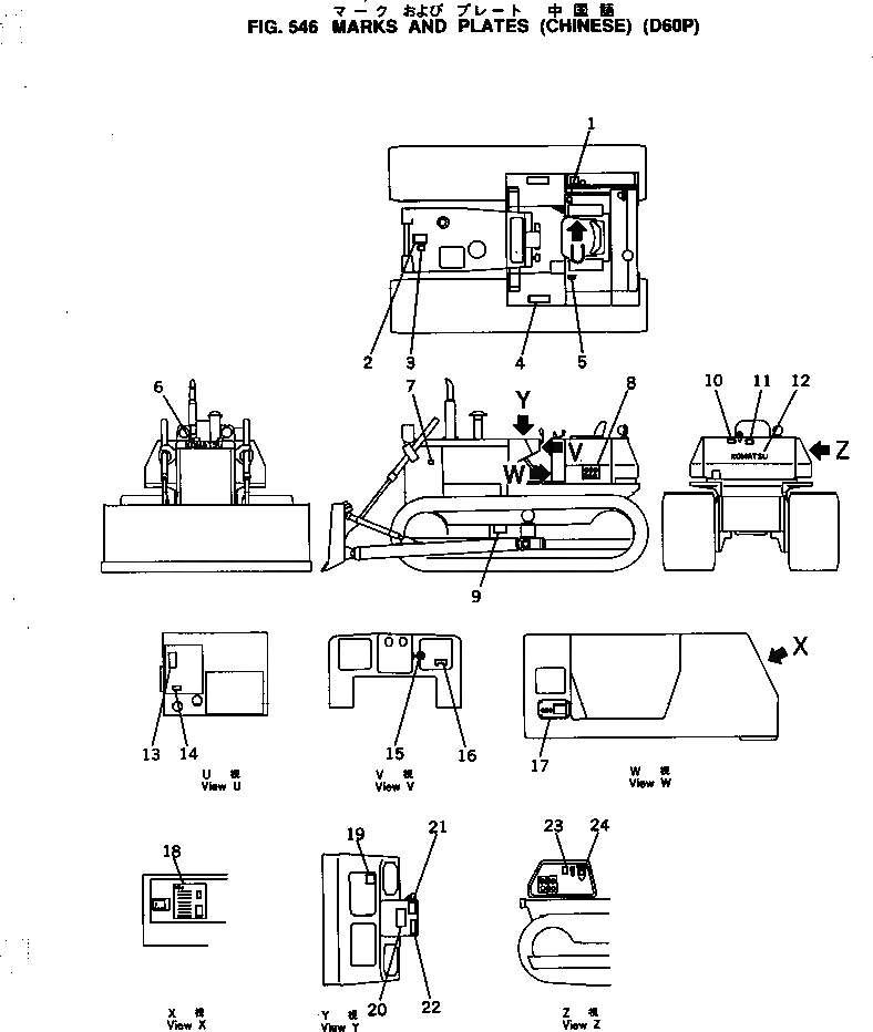
1

09670-00004

PLATE, OPERATING,BLADE (STRAIGHT TILT)

SN: 45001-UP

1шт.

2

09650-90101

PLATE, INSTRUCTION,RADIATOR WATER LEVEL

SN: 45001-UP

1шт.

3

09668-09000

PLATE, SAFETY,RADIATOR CAP

SN: 45001-UP

1шт.

4

120-54-32451

SHEET,ANTISKID

SN: 45001-UP

2шт.

5

09687-92570

PLATE, OPERATING,MAIN CLUTCH

SN: 45001-UP

1шт.

6

09690-00500

PLATE, MARK,KOMATSU

SN: 45001-UP

1шт.

7

09667-09000

PLATE, SAFETY,ENGINE COVER

SN: 45001-UP

2шт.

8

09691-05604

PLATE, MARK,D60P

SN: 45001-UP

2шт.

9

09657-09010

PLATE, SAFETY,TRACK SHOE ADJUSTING

SN: 45001-UP

2шт.

10

09652-90101

PLATE, CAUTION,FUEL TANK

SN: 45001-UP

1шт.

11

09656-90080

PLATE, INSTRUCTION,FUEL TANK STRAINER

SN: 45001-UP

1шт.

12

09690-00630

PLATE, MARK,KOMATSU

SN: 45001-UP

1шт.

13

144-54-28330

PLATE, OPERATING,BLADE LOCK (STRAIGHT TILT)

SN: 45001-UP

1шт.

14

09685-00004

PLATE, OPERATING,LOCK LEVER

SN: 45001-UP

1шт.

15

08670-80005

INDICATOR,DUST

SN: 45001-UP

1шт.

16

09683-90060

PLATE, OPERATING,STARTING SWITCH

SN: 45001-UP

1шт.

17

09602-91635

PLATE, NAME,(LIMITED SUPPLY)

SN: 45001-UP

1шт.

17

04418-13060

SCREW

SN: 45001-UP

4шт.

18

144-54-51580

PLATE,OIL CHART

SN: 45001-UP

1шт.

19

09674-90071

PLATE, OPERATING,TRANSMISSION CONTROL LEVER

SN: 45001-UP

1шт.

20

09654-09000

PLATE, SAFETY,STARTING AND LEAVING SEAT

SN: 45001-UP

1шт.

21

09173-09000

PLATE, SAFETY,INSPECTION AND MAINTENANCE

SN: 45001-UP

1шт.

22

09651-09000

PLATE, SAFETY,BEFORE OPERATING MACHINE

SN: 45001-UP

1шт.

23

09653-09000

PLATE, SAFETY,HYDRAULIC TANK CAP

SN: 45001-UP

1шт.

24

09655-90120

PLATE, INSTRUCTION,OIL FILTER

SN: 45001-UP

1шт.

Выбрано товаров: 25