Запчасти Komatsu 6D125-1F МАХОВИК И КАРТЕР МАХОВИКА БЛОК ЦИЛИНДРОВ

Схема запчастей Komatsu 6D125-1F - МАХОВИК И КАРТЕР МАХОВИКА БЛОК ЦИЛИНДРОВ
1
2
3
4
5
6
7
8
9
10
11
12
13
14
15
16
17
18
19
1
2
3
4
5
6
7
8
9
10
11
12
13
14
15
16
17
18
19
FIT
1:1
100%

Артикул

Название

Примечание

Количество

1

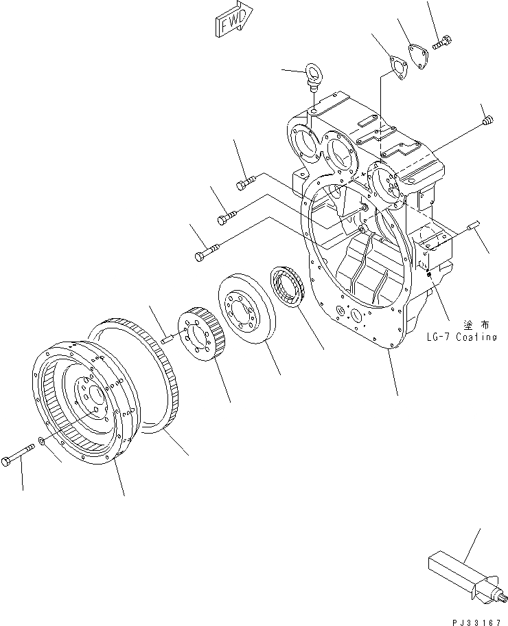
6150-21-4411

HOUSING,FLYWHEEL

SN: 25445-UP

1шт.

1

0

HOUSING,FLYWHEEL

SN: 10001-25444

1шт.

2

07043-00108

PLUG

SN: 10001-UP

1шт.

3

04530-02438

BOLT,EYE

SN: 10001-UP

2шт.

4

6150-21-4770

PIN,DOWEL (SEE FIG.0201)

SN: 10001-UP

2шт.

5

01010-31670

BOLT

SN: 10001-UP

2шт.

6

01010-31650

BOLT

SN: 10001-UP

6шт.

7

01010-31040

BOLT

SN: 10579-UP

2шт.

7

01010-31050

BOLT

SN: 10001-10578

2шт.

8

6150-21-4243

SEAL, REAR (K2)

SN: 22656-UP

1шт.

8

0

SEAL, REAR

SN: 10001-22655

1шт.

8

6150-29-4243

SEAL, REAR,(SERVICE PARTS)

SN: 22656-UP

1шт.

8

0

SEAL, REAR,(SERVICE PARTS)

SN: 10001-22655

1шт.

|$13

6151-31-1231

FLYWHEEL ASS'Y

SN: 19221-UP

1шт.

|$14

0

FLYWHEEL ASS'Y

SN: 10001-19220

1шт.

9

0

FLYWHEEL

SN: 10001-UP

1шт.

10

6150-31-1341

GEAR,RING

SN: 19221-UP

1шт.

10

0

GEAR,RING

SN: 10001-19220

1шт.

11

6150-31-1710

SPACER

SN: 10001-UP

1шт.

12

6631-31-1370

GEAR

SN: 10001-UP

1шт.

13

6150-31-1360

PIN

SN: 17658-UP

2шт.

13

0

PIN

SN: 10001-17657

2шт.

14

01051-31625

BOLT

SN: 10001-UP

6шт.

15

6150-31-1810

WASHER

SN: 16680-UP

6шт.

15

0

WASHER

SN: 10001-16679

6шт.

16

6150-21-4730

PLATE

SN: 10001-UP

1шт.

17

6150-21-4740

GASKET (K2)

SN: 10001-UP

1шт.

18

01010-51020

BOLT

SN: 10001-UP

3шт.

19

09920-00150

LIQUID GASKET,LG-7, 150G

SN: 10001-UP

-2шт.

1

6150-21-4411

HOUSING,FLYWHEEL

SN: 25445-UP

1шт.

1

0

HOUSING,FLYWHEEL

SN: 10001-25444

1шт.

2

07043-00108

PLUG

SN: 10001-UP

1шт.

3

04530-02438

BOLT,EYE

SN: 10001-UP

2шт.

4

6150-21-4770

PIN,DOWEL (SEE FIG.0201)

SN: 10001-UP

2шт.

5

01010-31670

BOLT

SN: 10001-UP

2шт.

6

01010-31650

BOLT

SN: 10001-UP

6шт.

7

01010-31040

BOLT

SN: 10579-UP

2шт.

7

01010-31050

BOLT

SN: 10001-10578

2шт.

8

6150-21-4243

SEAL, REAR (K2)

SN: 22656-UP

1шт.

8

0

SEAL, REAR

SN: 10001-22655

1шт.

8

6150-29-4243

SEAL, REAR,(SERVICE PARTS)

SN: 22656-UP

1шт.

8

0

SEAL, REAR,(SERVICE PARTS)

SN: 10001-22655

1шт.

|$13

6151-31-1231

FLYWHEEL ASS'Y

SN: 19221-UP

1шт.

|$14

0

FLYWHEEL ASS'Y

SN: 10001-19220

1шт.

9

0

FLYWHEEL

SN: 10001-UP

1шт.

10

6150-31-1341

GEAR,RING

SN: 19221-UP

1шт.

10

0

GEAR,RING

SN: 10001-19220

1шт.

11

6150-31-1710

SPACER

SN: 10001-UP

1шт.

12

6631-31-1370

GEAR

SN: 10001-UP

1шт.

13

6150-31-1360

PIN

SN: 17658-UP

2шт.

13

0

PIN

SN: 10001-17657

2шт.

14

01051-31625

BOLT

SN: 10001-UP

6шт.

15

6150-31-1810

WASHER

SN: 16680-UP

6шт.

15

0

WASHER

SN: 10001-16679

6шт.

16

6150-21-4730

PLATE

SN: 10001-UP

1шт.

17

6150-21-4740

GASKET (K2)

SN: 10001-UP

1шт.

18

01010-51020

BOLT

SN: 10001-UP

3шт.

19

09920-00150

LIQUID GASKET,LG-7, 150G

SN: 10001-UP

-2шт.

Выбрано товаров: 58