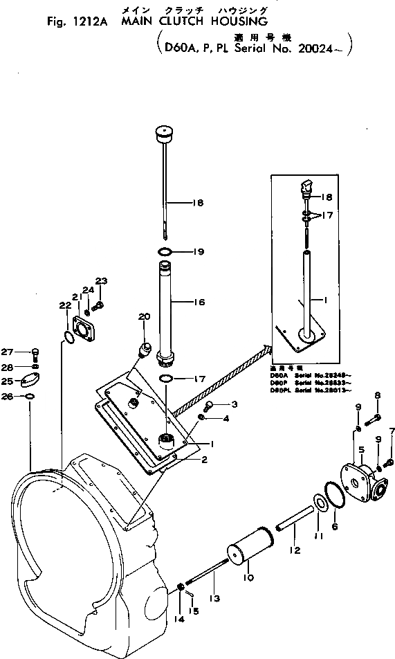
Запчасти Komatsu D60PL-6 ОСНОВН. МУФТА КОЖУХ (/)(№-) ОСНОВН. МУФТА И ТРАНСМИССИЯ

Схема запчастей Komatsu D60PL-6 - ОСНОВН. МУФТА КОЖУХ (/)(№-) ОСНОВН. МУФТА И ТРАНСМИССИЯ
FIT
1:1
100%

Артикул

Название

Примечание

Количество

|1

144-10-00017

CLUTCH ASS'Y

SN: 28013-UP

1шт.

|1

144-10-00016

CLUTCH ASS'Y

SN: 26711-28012

1шт.

|1

144-10-00015

CLUTCH ASS'Y

SN: 25044-26710

1шт.

|1

0

CLUTCH ASS'Y

SN: 22388-25043

1шт.

|1

144-10-00013

CLUTCH ASS'Y

SN: 21140-22387

1шт.

|1

0

CLUTCH ASS'Y

SN: 20032-21139

1шт.

|1

144-10-00011

CLUTCH ASS'Y

SN: 20024-20031

1шт.

1

144-10-19111

COVER

SN: 28013-UP

1шт.

|1

144-10-19110

COVER

SN: 20024-28012

1шт.

2

141-10-32143

GASKET

SN: 20032-UP

1шт.

|2

141-10-32142

GASKET

SN: 20006-20031

1шт.

3

01010-31025

BOLT

SN: 20006-UP

8шт.

4

01602-01030

WASHER

SN: 20006-UP

8шт.

5

141-10-34250

FLANGE

SN: 20006-UP

1шт.

6

07000-03092

O-RING

SN: 20006-UP

1шт.

7

01010-31030

BOLT

SN: 20006-UP

3шт.

8

01010-31055

BOLT

SN: 20006-UP

1шт.

9

01602-01030

WASHER

SN: 20006-UP

4шт.

10

144-10-12140

STRAINER

SN: 40001-UP

1шт.

|10

0

SCREEN

SN: 20006-40000

1шт.

11

170-10-16490

GASKET

SN: 20006-UP

1шт.

12

170-10-16361

SPACER

SN: 20006-UP

1шт.

13

170-10-16372

STUD

SN: 20006-UP

1шт.

14

01593-01008

NUT

SN: 20006-UP

1шт.

15

04050-02025

PIN

SN: 20006-UP

1шт.

16

144-10-12373

FILLER

SN: 20032-28012

1шт.

|16

144-10-12372

FILLER

SN: 20024-20031

1шт.

17

07002-02434

O-RING

SN: 28013-UP

2шт.

|17

07000-03032

O-RING

SN: 20006-28012

1шт.

18

144-10-12383

GAUGE

SN: 28013-UP

1шт.

|18

144-10-12382

GAUGE

SN: 20032-28012

1шт.

|18

144-10-12381

GAUGE

SN: 20024-20031

1шт.

19

07000-03028

O-RING

SN: 20042-28012

1шт.

20

07030-00252

BREATHER

SN: 20006-UP

1шт.

21

144-10-12411

COVER

SN: 20024-UP

1шт.

22

07000-03048

O-RING

SN: 20024-UP

1шт.

23

01010-31025

BOLT

SN: 20024-UP

4шт.

24

01602-01030

WASHER

SN: 20024-UP

4шт.

25

144-10-12421

COVER

SN: 20024-UP

1шт.

26

07000-03025

O-RING

SN: 20006-UP

1шт.

27

01010-31025

BOLT

SN: 20024-UP

2шт.

28

01602-01030

WASHER

SN: 20006-UP

2шт.

Выбрано товаров: 42