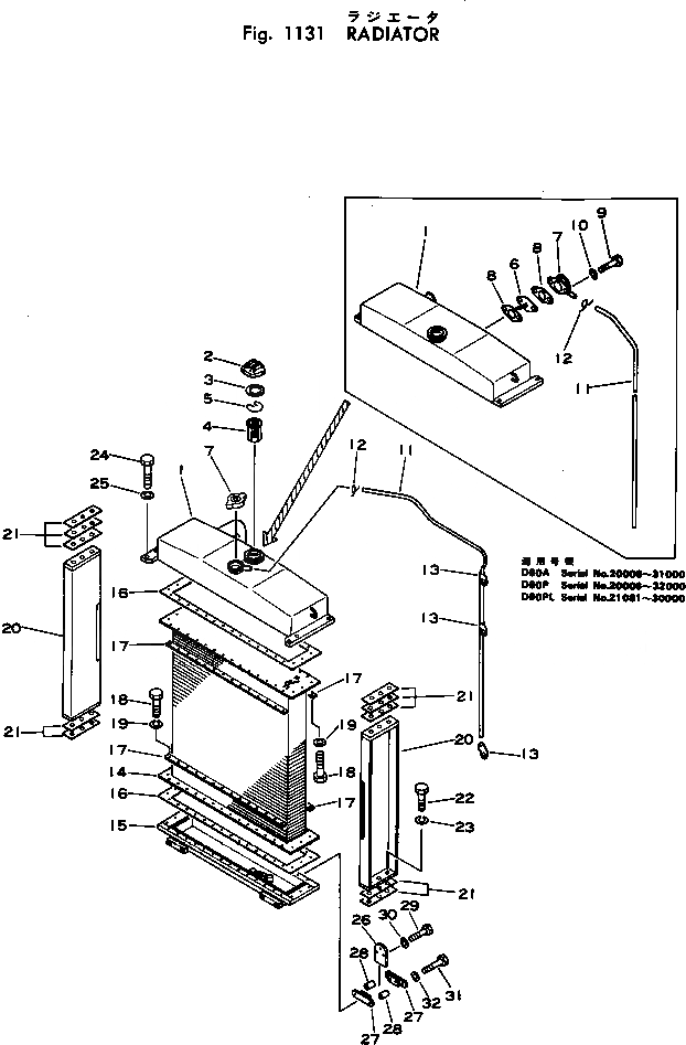
Запчасти Komatsu D60PL-6 РАДИАТОР КОМПОНЕНТЫ ДВИГАТЕЛЯ И ЭЛЕКТРИКА

Схема запчастей Komatsu D60PL-6 - РАДИАТОР КОМПОНЕНТЫ ДВИГАТЕЛЯ И ЭЛЕКТРИКА
FIT
1:1
100%

Артикул

Название

Примечание

Количество

|1

144-03-00017

RADIATOR ASS'Y

SN: .-UP

1шт.

|1

0

RADIATOR ASS'Y

SN: 30001-.

1шт.

|1

144-03-00015

RADIATOR ASS'Y

SN: 28061-30000

1шт.

|1

144-03-00014

RADIATOR ASS'Y

SN: 28013-28060

1шт.

|1

144-03-00013

RADIATOR ASS'Y

SN: 22388-28012

1шт.

|1

144-03-00012

RADIATOR ASS'Y

SN: 20054-22387

1шт.

|1

144-03-00011

RADIATOR ASS'Y

SN: 20024-20053

1шт.

|1

144-03-00010

RADIATOR ASS'Y

SN: 20006-20021

1шт.

1

144-03-11150

TANK

SN: .-UP

1шт.

|1

0

TANK

SN: 30001-.

1шт.

|1

144-03-11116

TANK

SN: 28061-30000

1шт.

|1

144-03-11115

TANK

SN: 28013-28060

1шт.

|1

144-03-11114

TANK

SN: 23265-28012

1шт.

|1

0

TANK

SN: 20054-23264

1шт.

|1

144-03-11112

TANK

SN: 20000-20000

1шт.

|1

144-03-11111

TANK

SN: 20000-20000

1шт.

2

07053-10000

CAP

SN: 28013-UP

1шт.

|2

170-03-11140

CAP

SN: 20006-28012

1шт.

|2

07053-00002

GASKET

SN: 28013-UP

1шт.

3

6675-61-7170

GASKET

SN: 20006-28012

1шт.

4

07056-00048

STRAINER

SN: 28013-UP

1шт.

|4

6675-61-7140

STRAINER

SN: 20006-28012

1шт.

5

07057-03271

RING

SN: 28013-UP

1шт.

|5

6675-61-7150

RING

SN: 20006-28012

1шт.

6

145-03-31251

PIPE

SN: 22388-30000

1шт.

|6

145-03-31250

PIPE

SN: 20006-22387

1шт.

7

125-03-21210

CAP

SN: 30001-UP

1шт.

|7

175-03-21380

VALVE

SN: 20006-30000

1шт.

8

6675-61-7190

GASKET

SN: 20006-30000

2шт.

9

01010-31030

BOLT

SN: 20006-30000

2шт.

10

01602-01030

WASHER

SN: 20006-32000

2шт.

11

6675-61-7290

PIPE

SN: 20006-UP

1шт.

12

04059-01010

WIRE

SN: 20006-UP

1шт.

13

6675-61-7380

CLIP

SN: 20006-UP

3шт.

14

144-03-11182

CORE

SN: .-UP

1шт.

|14

0

CORE

SN: 20006-.

1шт.

15

144-03-11122

TANK

SN: 20488-UP

1шт.

|15

0

TANK

SN: 20054-20487

1шт.

|$$39

(144-03-11122{144-54-11422¤}

-1шт.

|$$40

01050-30814(3))

-1шт.

|15

144-03-11120

TANK

SN: 20024-20053

1шт.

|15

145-03-31271

TANK

SN: 20006-20021

1шт.

16

145-03-31261

GASKET

SN: 20006-UP

2шт.

17

145-03-31191

PLATE

SN: 20006-UP

4шт.

18

01010-31025

BOLT

SN: 20006-UP

56шт.

19

01602-01030

WASHER

SN: 20006-UP

56шт.

20

144-999-1560

SUPPORT

SN: 20054-UP

2шт.

|20

144-03-11280

SUPPORT

SN: 20006-20053

2шт.

21

145-03-31291

SHIM¤ 0.6MM

SN: 20006-UP

10шт.

22

01010-31240

BOLT

SN: 20006-UP

12шт.

23

01602-01236

WASHER

SN: 20006-UP

12шт.

24

01010-31240

BOLT

SN: 20006-UP

4шт.

25

01602-01236

WASHER

SN: 20006-UP

4шт.

26

6675-61-7750

PLATE

SN: 20006-UP

2шт.

27

6675-61-7770

DAMPER

SN: 20006-UP

4шт.

28

6675-61-7780

SPACER

SN: 20006-UP

4шт.

29

01010-31025

BOLT

SN: 20006-UP

6шт.

30

01602-01030

WASHER

SN: 20006-UP

6шт.

31

01010-31260

BOLT

SN: 20006-UP

4шт.

32

01602-01236

WASHER

SN: 20006-UP

4шт.

Выбрано товаров: 60