Запчасти Komatsu NH-220-CI-1D DYNAMO И КРЕПЛЕНИЕ ОХЛАЖД-Е И ЭЛЕКТРИКАS

Схема запчастей Komatsu NH-220-CI-1D - DYNAMO И КРЕПЛЕНИЕ ОХЛАЖД-Е И ЭЛЕКТРИКАS
FIT
1:1
100%

Артикул

Название

Примечание

Количество

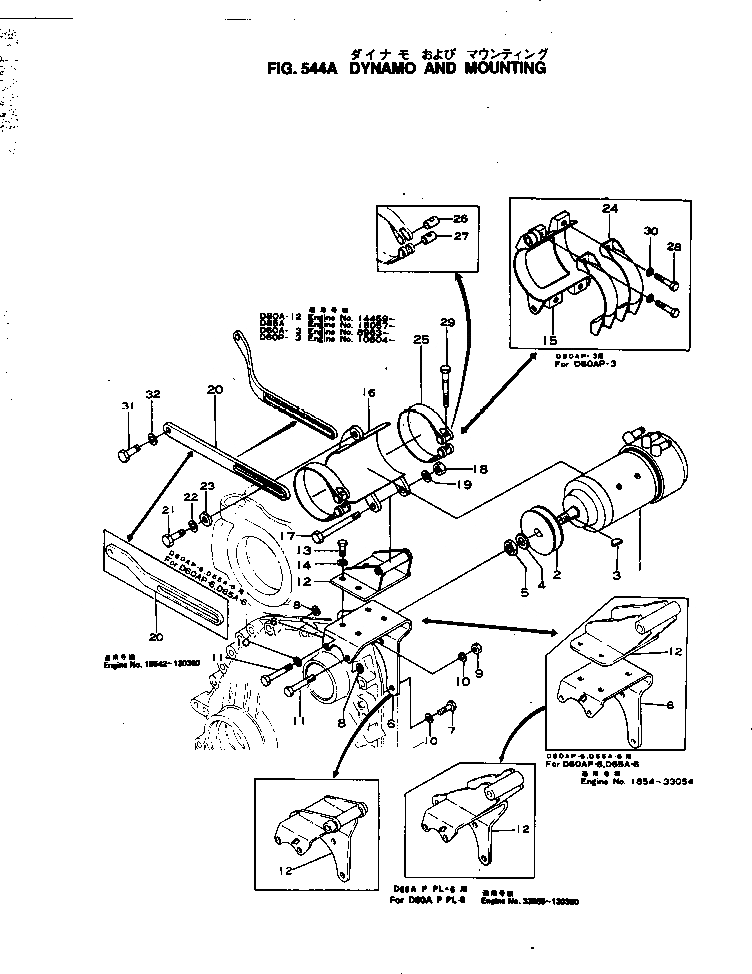
1

6691-81-2510

DYNAMO ASS'Y (12A),(0.3KW)

SN: 18548-UP

1шт.

2

KDSGXPE-401

PULLEY

SN: 18548-UP

1шт.

3

KD81422

KEY

SN: 18548-UP

1шт.

4

KD31611

WASHER,SPRING

SN: 18548-UP

1шт.

5

KD26141

NUT

SN: 18548-UP

1шт.

6

6623-21-6341

BRACKET,LOWER

SN: 18548-33054

1шт.

7

02030-20732

BOLT

SN: 18548-UP

3шт.

8

01641-21223

WASHER

SN: 26890-UP

3шт.

|8

02300-11426

WASHER

SN: 18548-26889

5шт.

9

02215-10710

NUT

SN: 18548-UP

1шт.

10

02310-11428

WASHER,SPRING

SN: 18548-UP

5шт.

11

02030-30757

BOLT

SN: 18548-UP

2шт.

12

6631-21-6311

BRACKET

SN: 33055-UP

1шт.

|12

6631-21-6310

BRACKET

SN: 18548-33054

1шт.

13

01050-31025

BOLT

SN: 18548-39200

4шт.

14

01602-01030

WASHER,SPRING

SN: 18548-39200

4шт.

16

6631-21-6321

BRACKET

SN: .-UP

1шт.

|16

0

BRACKET

SN: 18548-.

1шт.

17

6120-21-5121

BOLT

SN: 18548-UP

1шт.

18

01580-01210

NUT

SN: 18548-UP

1шт.

19

01602-01236

WASHER,SPRING

SN: 18548-UP

1шт.

20

6631-21-6380

PLATE,ADJUSTING

SN: 18548-UP

1шт.

21

01010-31235

BOLT

SN: 18548-UP

1шт.

22

01602-01236

WASHER,SPRING

SN: 18548-UP

1шт.

23

6691-21-6360

SPACER

SN: 18548-UP

1шт.

25

6111-21-6460

BAND

SN: 18548-UP

2шт.

26

6110-21-6530

PIN

SN: 18548-UP

2шт.

27

6110-21-6540

PIN¤ WITH THREAD

SN: 18548-UP

2шт.

29

6110-23-6520

BOLT

SN: 18548-UP

2шт.

31

01010-31230

BOLT

SN: 18548-UP

1шт.

32

01602-01236

WASHER,SPRING

SN: 18548-UP

1шт.

1

6691-81-2510

DYNAMO ASS'Y (12A),(0.3KW)

SN: 18548-UP

1шт.

2

KDSGXPE-401

PULLEY

SN: 18548-UP

1шт.

3

KD81422

KEY

SN: 18548-UP

1шт.

4

KD31611

WASHER,SPRING

SN: 18548-UP

1шт.

5

KD26141

NUT

SN: 18548-UP

1шт.

6

6623-21-6341

BRACKET,LOWER

SN: 18548-33054

1шт.

7

02030-20732

BOLT

SN: 18548-UP

3шт.

8

01641-21223

WASHER

SN: 26890-UP

3шт.

|8

02300-11426

WASHER

SN: 18548-26889

5шт.

9

02215-10710

NUT

SN: 18548-UP

1шт.

10

02310-11428

WASHER,SPRING

SN: 18548-UP

5шт.

11

02030-30757

BOLT

SN: 18548-UP

2шт.

12

6631-21-6311

BRACKET

SN: 33055-UP

1шт.

|12

6631-21-6310

BRACKET

SN: 18548-33054

1шт.

13

01050-31025

BOLT

SN: 18548-39200

4шт.

14

01602-01030

WASHER,SPRING

SN: 18548-39200

4шт.

16

6631-21-6321

BRACKET

SN: .-UP

1шт.

|16

0

BRACKET

SN: 18548-.

1шт.

17

6120-21-5121

BOLT

SN: 18548-UP

1шт.

18

01580-01210

NUT

SN: 18548-UP

1шт.

19

01602-01236

WASHER,SPRING

SN: 18548-UP

1шт.

20

6631-21-6380

PLATE,ADJUSTING

SN: 18548-UP

1шт.

21

01010-31235

BOLT

SN: 18548-UP

1шт.

22

01602-01236

WASHER,SPRING

SN: 18548-UP

1шт.

23

6691-21-6360

SPACER

SN: 18548-UP

1шт.

25

6111-21-6460

BAND

SN: 18548-UP

2шт.

26

6110-21-6530

PIN

SN: 18548-UP

2шт.

27

6110-21-6540

PIN¤ WITH THREAD

SN: 18548-UP

2шт.

29

6110-23-6520

BOLT

SN: 18548-UP

2шт.

31

01010-31230

BOLT

SN: 18548-UP

1шт.

32

01602-01236

WASHER,SPRING

SN: 18548-UP

1шт.

Выбрано товаров: 62