Запчасти Komatsu D60PL-8 ГИДР. НАСОС. УПРАВЛ-Е РАБОЧИМ ОБОРУДОВАНИЕМ

Схема запчастей Komatsu D60PL-8 - ГИДР. НАСОС. УПРАВЛ-Е РАБОЧИМ ОБОРУДОВАНИЕМ
FIT
1:1
100%

Артикул

Название

Примечание

Количество

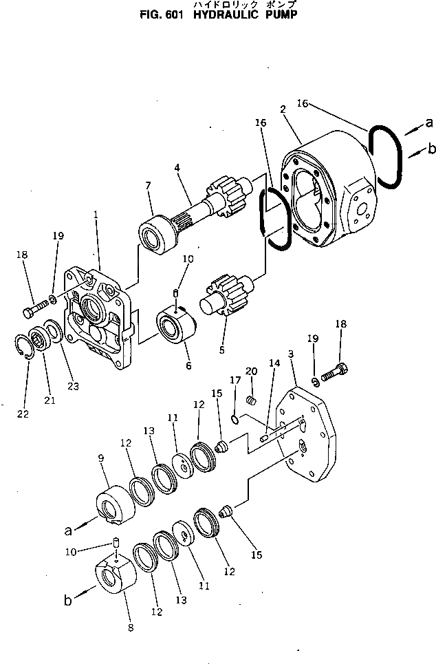
|1

07441-67503

GEAR PUMP ASS'Y,(PAR112)

SN: 45001-UP

1шт.

1

0

BRACKET

SN: 45001-UP

1шт.

2

0

CASE,GEAR

SN: 45001-UP

1шт.

3

0

COVER

SN: 45001-UP

1шт.

4

0

GEAR

SN: 45001-UP

1шт.

5

0

GEAR,DRIVEN

SN: 45001-UP

1шт.

6

0

BUSHING ASS'Y

SN: 45001-UP

1шт.

7

0

BUSHING ASS'Y

SN: 45001-UP

1шт.

8

0

BUSHING ASS'Y

SN: 45001-UP

1шт.

9

0

BUSHING ASS'Y

SN: 45001-UP

1шт.

10

0

PIN

SN: 45001-UP

2шт.

11

0

PLATE,SEAL

SN: 45001-UP

2шт.

12

0

RING,BACK-UP

SN: 45001-UP

4шт.

13

0

U-RING

SN: 45001-UP

2шт.

14

0

PIN

SN: 45001-UP

2шт.

15

0

COLLAR

SN: 45001-UP

2шт.

16

0

O-RING

SN: 45001-UP

2шт.

17

0

O-RING

SN: 45001-UP

2шт.

18

0

BOLT

SN: 45001-UP

16шт.

19

0

WASHER,SPRING

SN: 45001-UP

16шт.

20

0

PLUG

SN: 45001-UP

2шт.

21

07438-11162

SEAL,OIL

SN: 45001-UP

1шт.

22

04065-05520

RING,SNAP

SN: 45001-UP

1шт.

23

07440-66110

PLATE

SN: 45001-UP

1шт.

Выбрано товаров: 24