Запчасти Komatsu D61E-12 ПРЕДПУСКОВ. ПОДОГРЕВ (/) (ДЛЯ СНГ)(№8-) РАЗНОЕ

Схема запчастей Komatsu D61E-12 - ПРЕДПУСКОВ. ПОДОГРЕВ (/) (ДЛЯ СНГ)(№8-) РАЗНОЕ
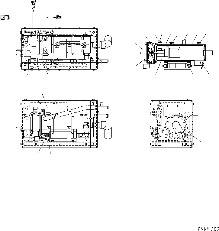
1
2
3
4
5
6
7
8
9
10
11
12
13
14
15
16
17
18
19
FIT
1:1
100%

Артикул

Название

Примечание

Количество

|$0

134-977-1270

HEATER

SN: 1168-UP

1шт.

|$1

MKMX60APT-1

PRE HEATER ASS'Y

SN: 1168-UP

1шт.

1

MK059 141

THERMOSTAT

SN: 1168-UP

1шт.

2

MK059 142

THERMOSTAT

SN: 1168-UP

1шт.

3

MK042 001A

THERMOSTAT

SN: 1168-UP

1шт.

4

MK059 240

SENSOR ASS'Y

SN: 1168-UP

1шт.

5

MK054 396

MOTOR ASS'Y

SN: 1168-UP

1шт.

6

MK060 175A

RESISTANCE

SN: 1168-UP

1шт.

7

MK533 668A

WICK

SN: 1168-UP

1шт.

8

MK533 669A

WICK

SN: 1168-UP

1шт.

9

MK533 839A

CHAMBER ASS'Y

SN: 1168-UP

1шт.

10

MK533 1048A

PIPE ASS'Y

SN: 1168-UP

1шт.

11

MK533 813B

HEAT EXCHANGER

SN: 1168-UP

1шт.

12

MK061 121

PLUG ASS'Y

SN: 1168-UP

1шт.

13

MK533 588E

BOSS ASS'Y

SN: 1168-UP

1шт.

14

MK057 328E

CONTROL BOX ASS'Y

SN: 1168-UP

1шт.

15

MK533 581A

SILENCER ASS'Y

SN: 1168-UP

1шт.

16

MK057 509

REGULATOR ASS'Y

SN: 1168-UP

1шт.

17

MK503 252

FUEL PUMP ASS'Y

SN: 1168-UP

1шт.

18

MK016 185

HOSE

SN: 1168-UP

1шт.

19

MK007 329

CLAMP

SN: 1168-UP

2шт.

Выбрано товаров: 21