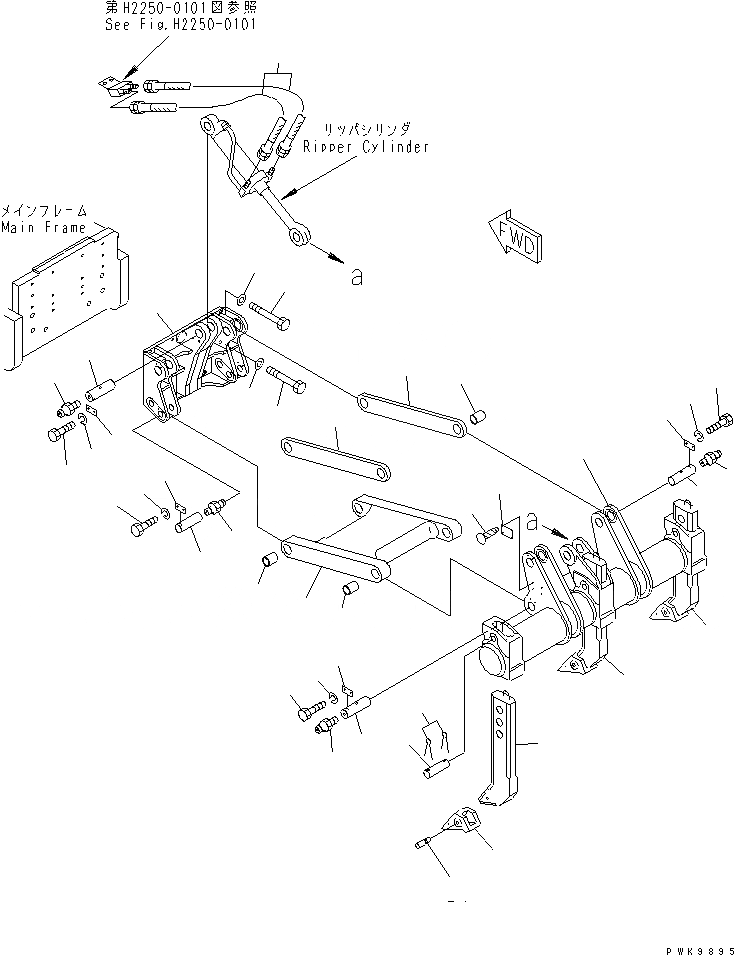
Запчасти Komatsu D61E-12 РЫХЛИТЕЛЬ (RIGED ТИП) РАБОЧЕЕ ОБОРУДОВАНИЕ

Схема запчастей Komatsu D61E-12 - РЫХЛИТЕЛЬ (RIGED ТИП) РАБОЧЕЕ ОБОРУДОВАНИЕ
1
2
3
4
4
5
6
7
7
8
8
9
9
10
10
11
12
13
14
15
16
17
18
19
20
20
20
20
21
22
23
24
25
25
25
26
27
28
29
30
31
32
FIT
1:1
100%

Артикул

Название

Примечание

Количество

1

134-78-61110

SUPPORT

SN: 1001-UP

1шт.

2

144-78-11511

BEAM

SN: 1001-UP

1шт.

3

144-78-11174

LINK

SN: 1001-UP

1шт.

4

144-78-11162

LINK

SN: 1001-UP

2шт.

5

144-874-8470

PIN

SN: 1001-UP

2шт.

6

14X-78-11310

PIN

SN: 1001-UP

2шт.

7

141-78-11321

BUSHING

SN: 1001-UP

4шт.

8

04082-00212

LOCK

SN: 1001-UP

4шт.

9

01010-81225

BOLT

SN: 1001-UP

8шт.

10

01602-21236

WASHER

SN: 1001-UP

8шт.

11

144-874-8480

PIN

SN: 1001-UP

4шт.

12

141-78-11311

BUSHING

SN: 1001-UP

4шт.

13

04082-00212

LOCK

SN: 1001-UP

4шт.

14

01010-81225

BOLT

SN: 1001-UP

8шт.

15

01602-21236

WASHER

SN: 1001-UP

8шт.

16

144-874-8491

PIN

SN: 1001-UP

2шт.

17

04082-00514

LOCK

SN: 1001-UP

2шт.

18

01010-81435

BOLT

SN: 1001-UP

4шт.

19

01602-21442

WASHER

SN: 1001-UP

4шт.

20

07020-00000

FITTING

SN: 1001-UP

10шт.

21

144-78-11570

PIN

SN: 1001-UP

3шт.

22

04050-10060

PIN

SN: 1001-UP

6шт.

23

0

PLATE, NAME,(LIMITED SUPPLY)

SN: 1235-UP

1шт.

23

0

PLATE, NAME,(LIMITED SUPPLY)

SN: 1001-1234

1шт.

24

04418-13060

SCREW

SN: 1001-UP

4шт.

25

144-78-11245

SHANK

SN: 1001-UP

3шт.

26

141-78-11253

POINT

SN: 1001-UP

3шт.

27

09244-02508

PIN

SN: 1001-UP

3шт.

28

01010-83090

BOLT

SN: 1001-UP

4шт.

29

01643-33080

WASHER

SN: 1001-UP

4шт.

30

01010-82480

BOLT

SN: 1001-UP

12шт.

31

01643-32460

WASHER

SN: 1001-UP

12шт.

32

07086-20611

HOSE

SN: 1001-UP

2шт.

Выбрано товаров: 33