Запчасти Komatsu D61EX-12 ОСНОВН. РАМА (УСИЛ. ТИП) ОСНОВН. РАМА И КОМПОНЕНТЫ

Схема запчастей Komatsu D61EX-12 - ОСНОВН. РАМА (УСИЛ. ТИП) ОСНОВН. РАМА И КОМПОНЕНТЫ
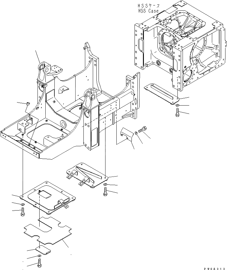
1
2
3
4
5
6
7
8
9
10
11
12
13
14
15
16
17
18
FIT
1:1
100%

Артикул

Название

Примечание

Количество

1

134-21-61101

FRAME ASS'Y

SN: 1001-UP

1шт.

2

134-21-61372

COVER

SN: 1164-UP

1шт.

2

134-21-61371

COVER

SN: 1001-1163

1шт.

3

134-21-61390

PLATE

SN: 1001-UP

1шт.

4

01010-81645

BOLT

SN: 1164-UP

7шт.

4

01010-81635

BOLT

SN: 1001-1163

7шт.

5

01643-31645

WASHER

SN: 1001-UP

7шт.

6

124-21-51332

COVER

SN: 1001-UP

1шт.

7

01010-81230

BOLT

SN: 1001-UP

1шт.

8

01643-31232

WASHER

SN: 1001-UP

1шт.

9

134-21-61380

COVER

SN: 1001-UP

1шт.

10

01010-81635

BOLT

SN: 1001-UP

4шт.

11

01643-31645

WASHER

SN: 1001-UP

4шт.

12

134-21-61242

COVER

SN: 1001-UP

1шт.

13

01010-81230

BOLT

SN: 1001-UP

4шт.

14

01643-31232

WASHER

SN: 1001-UP

4шт.

15

134-21-61420

COVER

SN: 1001-UP

1шт.

16

01010-81220

BOLT

SN: 1001-UP

2шт.

17

01643-31232

WASHER

SN: 1001-UP

2шт.

18

07049-01620

PLUG

SN: 1001-UP

4шт.

Выбрано товаров: 20