Запчасти Komatsu D61EX-12 VEHICLE ЭЛЕКТРОПРОВОДКА (ДАТЧИК ЭЛЕКТРОПРОВОДКА¤ /) ЭЛЕКТРИКА

Схема запчастей Komatsu D61EX-12 - VEHICLE ЭЛЕКТРОПРОВОДКА (ДАТЧИК ЭЛЕКТРОПРОВОДКА¤ /) ЭЛЕКТРИКА
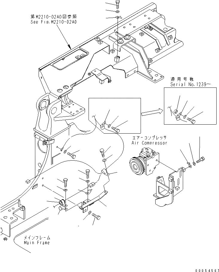
1
2
3
4
5
6
7
8
9
10
11
12
13
14
15
15
16
17
17
18
18
19
20
21
22
23
24
25
26
FIT
1:1
100%

Артикул

Название

Примечание

Количество

1

134-06-61331

BRACKET

SN: 1239-UP

1шт.

1

134-06-61330

BRACKET

SN: 1001-1238

1шт.

2

01010-81225

BOLT

SN: 1001-UP

2шт.

3

01643-31232

WASHER

SN: 1001-UP

2шт.

4

08053-00910

CLIP

SN: 1001-UP

1шт.

5

01010-81020

BOLT

SN: 1001-UP

1шт.

6

01643-31032

WASHER

SN: 1001-UP

1шт.

7

04434-51910

CLIP

SN: 1001-UP

1шт.

8

01010-81020

BOLT

SN: 1001-UP

1шт.

9

01643-31032

WASHER

SN: 1001-UP

1шт.

10

07095-20318

CUSHION

SN: 1001-UP

1шт.

11

04434-52510

CLIP

SN: 1001-UP

1шт.

12

04434-51010

CLIP

SN: 1001-UP

1шт.

13

01010-81020

BOLT

SN: 1001-UP

1шт.

14

01643-31032

WASHER

SN: 1001-UP

1шт.

15

04434-51912

CLIP

SN: 1001-UP

1шт.

16

203-62-21720

SPACER

SN: 1239-UP

1шт.

17

01010-81235

BOLT

SN: 1239-UP

1шт.

17

01010-81220

BOLT

SN: 1001-1238

1шт.

18

01643-31232

WASHER

SN: 1001-UP

1шт.

19

01010-81220

BOLT

SN: 1001-UP

1шт.

20

01643-31232

WASHER

SN: 1001-UP

1шт.

21

01010-81016

BOLT

SN: 1001-UP

1шт.

22

01643-31032

WASHER

SN: 1001-UP

1шт.

23

08053-01510

CLIP

SN: 1001-UP

1шт.

24

08053-01512

CLIP

SN: 1001-UP

1шт.

25

01010-81220

BOLT

SN: 1001-UP

1шт.

26

01643-31232

WASHER

SN: 1001-UP

1шт.

Выбрано товаров: 28