Запчасти Komatsu D61EX-12 ПОРУЧНИ (С КАБИНОЙ) (ДЛЯ PAT) КАБИНА ОПЕРАТОРА И СИСТЕМА УПРАВЛЕНИЯ

Схема запчастей Komatsu D61EX-12 - ПОРУЧНИ (С КАБИНОЙ) (ДЛЯ PAT) КАБИНА ОПЕРАТОРА И СИСТЕМА УПРАВЛЕНИЯ
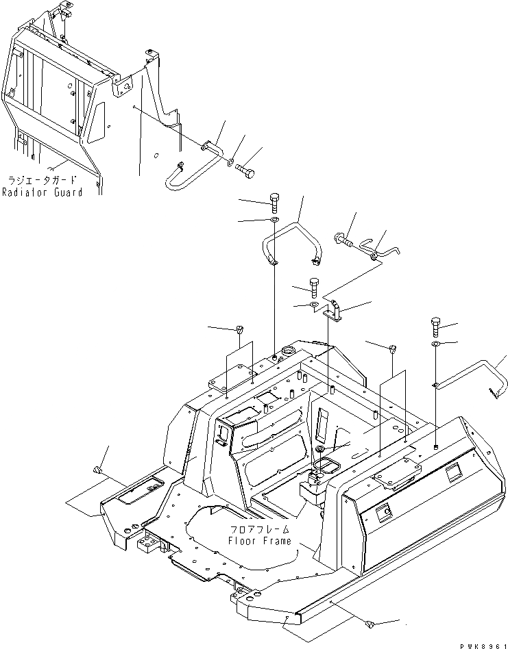
1
2
3
4
5
6
7
7
7
7
8
9
10
11
12
13
14
15
16
FIT
1:1
100%

Артикул

Название

Примечание

Количество

1

14X-54-16641

BRACKET

SN: 1001-UP

1шт.

2

01010-81025

BOLT

SN: 1001-UP

2шт.

3

01643-31032

WASHER

SN: 1001-UP

2шт.

4

134-54-66211

HANDLE

SN: 1001-UP

1шт.

5

01439-01025

BOLT

SN: 1164-UP

2шт.

|5

01439-01020

BOLT

SN: 1001-1163

2шт.

6

14X-54-16660

GROMMET

SN: 1001-UP

1шт.

7

07049-01215

PLUG

SN: 1001-UP

12шт.

8

134-54-61272

HANDLE

SN: 1001-UP

2шт.

9

01010-81225

BOLT

SN: 1001-UP

4шт.

10

01643-31232

WASHER

SN: 1001-UP

4шт.

11

134-54-64331

HANDLE,L.H.

SN: 1001-UP

1шт.

12

01010-81225

BOLT

SN: 1001-UP

2шт.

13

01643-31232

WASHER

SN: 1001-UP

2шт.

14

134-54-64341

HANDLE,R.H.

SN: 1001-UP

1шт.

15

01010-81225

BOLT

SN: 1001-UP

2шт.

16

01643-31232

WASHER

SN: 1001-UP

2шт.

Выбрано товаров: 17