Запчасти Komatsu D61EX-12A-W H.S.S (ПЕРЕДАЧА И PLANETARY ПРИВОД) СИЛОВАЯ ПЕРЕДАЧА И КОНЕЧНАЯ ПЕРЕДАЧА

Схема запчастей Komatsu D61EX-12A-W - H.S.S (ПЕРЕДАЧА И PLANETARY ПРИВОД) СИЛОВАЯ ПЕРЕДАЧА И КОНЕЧНАЯ ПЕРЕДАЧА
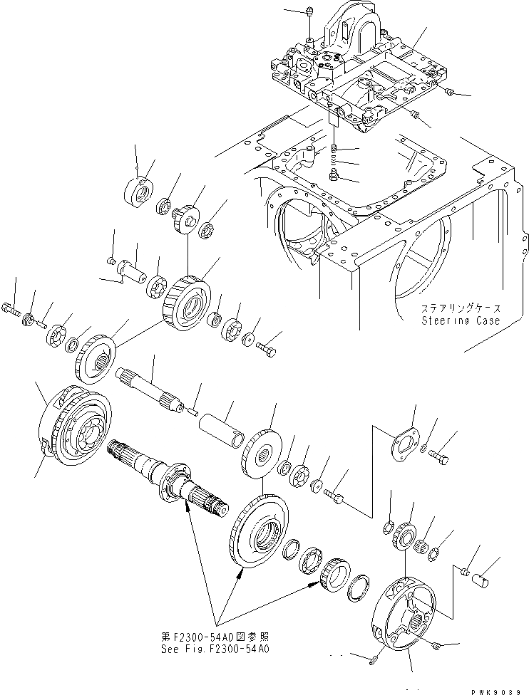
1
1
2
3
4
5
6
6
7
8
8
9
10
11
12
13
14
15
16
17
18
18
19
19
20
20
20
21
21
22
23
24
25
26
27
28
29
30
31
31
32
33
33
34
35
36
37
37
38
FIT
1:1
100%

Артикул

Название

Примечание

Количество

1

134-22-62310

GEAR

SN: B3001-UP

2шт.

2

14Y-22-12121

SHAFT

SN: B3001-UP

1шт.

3

06030-06309

BEARING

SN: B3001-UP

1шт.

4

14Y-22-12130

SPACER

SN: B3001-UP

1шт.

5

134-22-62320

GEAR

SN: B3001-UP

1шт.

6

06030-06309

BEARING

SN: B3001-UP

2шт.

7

134-22-62330

GEAR

SN: B3001-UP

1шт.

8

06030-06207

BEARING

SN: B3001-UP

2шт.

9

14Y-22-12170

COLLAR

SN: B3001-UP

1шт.

10

14Y-22-12130

SPACER

SN: B3001-UP

1шт.

11

14Y-22-12240

COVER

SN: B3001-UP

1шт.

12

01010-81235

BOLT

SN: B3001-UP

4шт.

13

01643-31232

WASHER

SN: B3001-UP

4шт.

14

14Y-22-12250

COLLAR

SN: B3001-UP

1шт.

15

06044-00209

BEARING

SN: B3001-UP

1шт.

16

14Y-22-12231

SHAFT

SN: B3001-UP

1шт.

17

07043-70108

PLUG

SN: B3001-UP

1шт.

18

04260-00635

BALL

SN: B3001-UP

2шт.

19

04020-00616

PIN

SN: B3001-UP

2шт.

20

14Y-22-12190

HOLDER

SN: B3001-UP

3шт.

21

01010-81250

BOLT

SN: B3001-UP

2шт.

22

01010-81230

BOLT

SN: B3001-UP

1шт.

23

14Y-22-12180

CAGE

SN: B3001-UP

1шт.

24

134-22-66122

COVER

SN: B3001-UP

1шт.

25

287-15-15360

PISTON

SN: B3001-UP

2шт.

26

234-15-15120

SPRING

SN: B3001-UP

2шт.

27

07040-11409

PLUG

SN: B3001-UP

2шт.

28

07043-70211

PLUG

SN: B3001-UP

9шт.

29

07043-70312

PLUG

SN: B3001-UP

14шт.

30

07042-30108

PLUG

SN: B3001-UP

1шт.

31

14Y-22-12110

CARRIER

SN: B3001-UP

2шт.

32

07043-70108

PLUG

SN: B3001-UP

12шт.

33

14Y-22-12151

GEAR

SN: B3001-UP

6шт.

34

561-15-39410

BEARING

SN: B3001-UP

6шт.

35

14Y-22-12280

SHAFT

SN: B3001-UP

6шт.

36

175-15-11230

PLUG

SN: B3001-UP

6шт.

37

569-15-32560

WASHER

SN: B3001-UP

12шт.

38

14Y-22-12360

PIN

SN: B3001-UP

6шт.

Выбрано товаров: 38