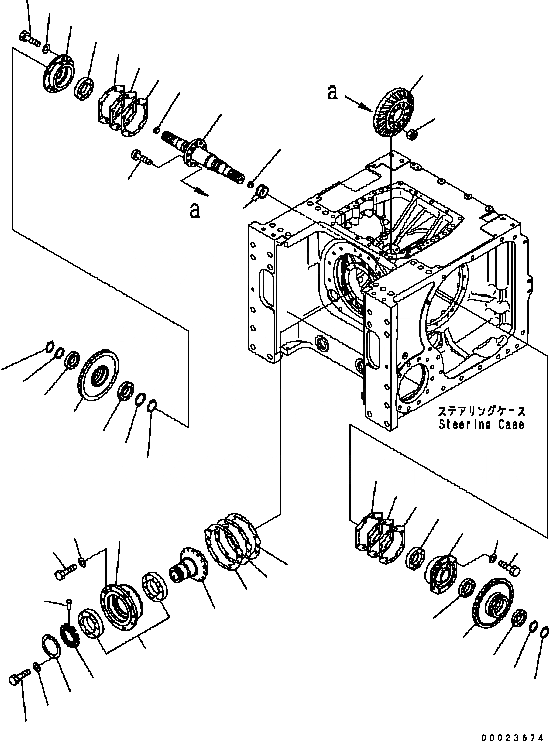
Запчасти Komatsu D61EX-15 СИЛОВАЯ ЛИНИЯ (КОНИЧЕСКАЯ ПЕРЕДАЧА С ВАЛОМ) F [СИЛОВАЯ ПЕРЕДАЧА И КОНЕЧНАЯ ПЕРЕДАЧА]

Схема запчастей Komatsu D61EX-15 - СИЛОВАЯ ЛИНИЯ (КОНИЧЕСКАЯ ПЕРЕДАЧА С ВАЛОМ) F [СИЛОВАЯ ПЕРЕДАЧА И КОНЕЧНАЯ ПЕРЕДАЧА]
13
14
8
3
12
11
10
2
1
2
23
6
4
7
17
16
15
22
18
19
20
24
35
34
27
29
30
28
26
25
5
33
32
31
10
11
12
3
9
18
21
15
16
17
14
13
FIT
1:1
100%

Артикул

Название

Примечание

Количество

|1

134-22-70000

POWER LINE ASSEMBLY

SN: B40001-UP

1шт.

|$2

THIS ASSEMBLY CONSISTS OF ALL PARTS SHOWN IN FIGS.F2300-51A0 TO F2300-64A0.

-1шт.

|1

134-22-70010

POWER LINE ASSEMBLY, (FOR REAR ATTACHMENT)

SN: B40001-UP

1шт.

|$4

THIS ASSEMBLY CONSISTS OF ALL PARTS SHOWN IN FIGS.F2300-51A1 TO F2300-64A1.

-1шт.

1

14Y-22-21122

SHAFT

SN: B40001-UP

1шт.

2

17M-22-45470

PLUG

SN: B40001-UP

2шт.

3

06302-32213

BEARING

SN: B40001-UP

2шт.

|4

0

GEAR ASSEMBLY

SN: B40001-UP

1шт.

4

0

BEVEL GEAR

SN: B40001-UP

1шт.

5

134-22-75870

PINION SHAFT

SN: B40001-UP

1шт.

6

01084-01650

BOLT

SN: B40001-UP

10шт.

7

01582-11613

NUT

SN: B40001-UP

10шт.

8

14Y-22-21131

CAGE

SN: B40001-UP

1шт.

9

14Y-22-21161

CAGE

SN: B40001-UP

1шт.

10

14Y-22-21170

SHIM

SN: B40001-UP

8шт.

11

14Y-22-21180

SHIM

SN: B40001-UP

8шт.

12

14Y-22-21190

SHIM

SN: B40001-UP

4шт.

13

01010-81240

BOLT

SN: B40001-UP

16шт.

14

01643-31232

WASHER

SN: B40001-UP

16шт.

15

06340-06210

BEARING

SN: B40001-UP

2шт.

16

714-12-12930

SPACER

SN: B40001-UP

2шт.

17

04064-05020

RING

SN: B40001-UP

2шт.

18

06340-06211

BEARING

SN: B40001-UP

2шт.

19

145-13-21730

SPACER

SN: B40001-UP

1шт.

20

04064-05520

RING

SN: B40001-UP

1шт.

21

134-22-72220

GEAR

SN: B40001-UP

1шт.

22

134-22-72230

GEAR

SN: B40001-UP

1шт.

23

07018-10653

RING

SN: B40001-UP

2шт.

24

154-22-65820

CAGE

SN: B40561-UP

1шт.

24

14Y-22-25820

CAGE

SN: B40001-B40560

1шт.

25

14Y-22-25880

BEARING

SN: B40001-UP

1шт.

26

154-22-65890

NUT

SN: B40561-UP

1шт.

26

14Y-22-25890

NUT

SN: B40001-B40560

1шт.

27

154-22-65860

PIN

SN: B40561-UP

1шт.

27

14Y-22-25860

PIN

SN: B40001-B40560

1шт.

28

154-22-62220

PLATE

SN: B40561-UP

1шт.

28

130-21-62220

PLATE

SN: B40001-B40560

1шт.

29

01010-80612

BOLT

SN: B40001-UP

4шт.

30

01643-30623

WASHER

SN: B40001-UP

4шт.

31

14Y-22-25830

SHIM

SN: B40001-UP

6шт.

32

14Y-22-25840

SHIM

SN: B40001-UP

4шт.

33

14Y-22-25850

SHIM

SN: B40001-UP

2шт.

34

01010-81240

BOLT

SN: B40001-UP

8шт.

35

01643-31232

WASHER

SN: B40001-UP

8шт.

Выбрано товаров: 44