Запчасти Komatsu D61EX-15 СИЛОВАЯ ЛИНИЯ (ЭЛЕКТРОПРОВОДКА) F [СИЛОВАЯ ПЕРЕДАЧА И КОНЕЧНАЯ ПЕРЕДАЧА]

Схема запчастей Komatsu D61EX-15 - СИЛОВАЯ ЛИНИЯ (ЭЛЕКТРОПРОВОДКА) F [СИЛОВАЯ ПЕРЕДАЧА И КОНЕЧНАЯ ПЕРЕДАЧА]
20
22
21
21
22
11
12
10
1
1
23
24
9
8
7
6
4
5
20
15
14
13
14
15
17
18
19
16
13
3
2
FIT
1:1
100%

Артикул

Название

Примечание

Количество

|1

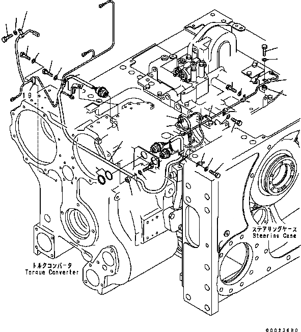
134-22-70000

POWER LINE ASSEMBLY

SN: B40001-UP

1шт.

|$2

THIS ASSEMBLY CONSISTS OF ALL PARTS SHOWN IN FIGS.F2300-51A0 TO F2300-64A0.

-1шт.

|1

134-22-70010

POWER LINE ASSEMBLY, (FOR REAR ATTACHMENT)

SN: B40001-UP

1шт.

|$4

THIS ASSEMBLY CONSISTS OF ALL PARTS SHOWN IN FIGS.F2300-51A1 TO F2300-64A1.

-1шт.

1

134-06-71183

WIRING HARNESS

SN: B40001-UP

1шт.

2

22T-62-25340

SPACER

SN: B40001-UP

1шт.

3

04434-52712

CLIP

SN: B40001-UP

1шт.

4

01010-81035

BOLT

SN: B40001-UP

1шт.

5

01643-31032

WASHER

SN: B40001-UP

1шт.

6

04434-52712

CLIP

SN: B40001-UP

1шт.

7

01010-81020

BOLT

SN: B40001-UP

1шт.

8

01643-31032

WASHER

SN: B40001-UP

1шт.

9

08193-21012

CLIP

SN: B40001-UP

1шт.

10

04434-52312

CLIP

SN: B40001-UP

1шт.

11

01010-81220

BOLT

SN: B40001-UP

1шт.

12

01643-31232

WASHER

SN: B40001-UP

1шт.

13

04434-51010

CLIP

SN: B40001-UP

3шт.

14

01010-81020

BOLT

SN: B40001-UP

2шт.

15

01643-31032

WASHER

SN: B40001-UP

2шт.

16

22T-62-25340

SPACER

SN: B40001-UP

1шт.

17

01010-81025

BOLT

SN: B40001-UP

1шт.

18

01643-31032

WASHER

SN: B40001-UP

1шт.

19

04434-51410

CLIP

SN: B40001-UP

1шт.

20

04434-51010

CLIP

SN: B40001-UP

2шт.

21

01010-81016

BOLT

SN: B40001-UP

2шт.

22

01643-31032

WASHER

SN: B40001-UP

2шт.

23

08034-20519

BAND

SN: B40001-UP

1шт.

24

7861-93-3320

SENSOR

SN: B40001-UP

1шт.

Выбрано товаров: 28