Запчасти Komatsu D61EX-15 СИЛОВАЯ ЛИНИЯ (КОРПУС) F [СИЛОВАЯ ПЕРЕДАЧА И КОНЕЧНАЯ ПЕРЕДАЧА]

Схема запчастей Komatsu D61EX-15 - СИЛОВАЯ ЛИНИЯ (КОРПУС) F [СИЛОВАЯ ПЕРЕДАЧА И КОНЕЧНАЯ ПЕРЕДАЧА]
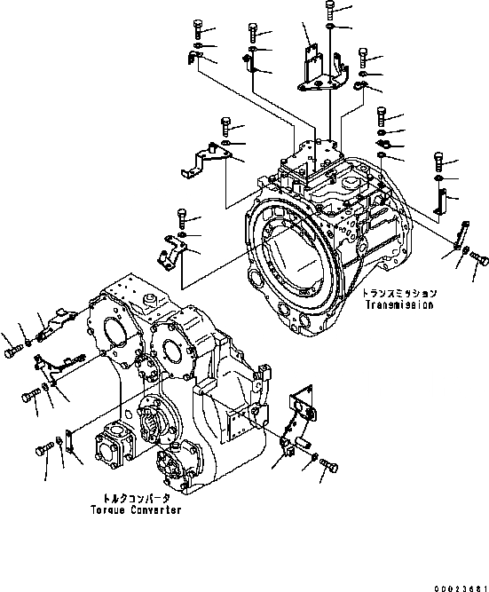
23
1
38
39
37
24
22
14
15
13
2
3
35
36
31
7
9
8
11
12
10
32
33
31
34
17
18
16
25
27
26
5
6
4
28
30
29
19
21
20
FIT
1:1
100%

Артикул

Название

Примечание

Количество

|1

134-22-70000

POWER LINE ASSEMBLY

SN: B40001-UP

1шт.

|$2

THIS ASSEMBLY CONSISTS OF ALL PARTS SHOWN IN FIGS.F2300-51A0 TO F2300-64A0.

-1шт.

|1

134-22-70010

POWER LINE ASSEMBLY, (FOR REAR ATTACHMENT)

SN: B40001-UP

1шт.

|$4

THIS ASSEMBLY CONSISTS OF ALL PARTS SHOWN IN FIGS.F2300-51A1 TO F2300-64A1.

-1шт.

1

134-62-71342

BRACKET

SN: B40001-UP

1шт.

2

01010-81025

BOLT

SN: B40001-UP

3шт.

3

01643-31032

WASHER

SN: B40001-UP

3шт.

4

134-62-71691

BRACKET

SN: B40001-UP

1шт.

5

01010-81240

BOLT

SN: B40001-UP

2шт.

6

01643-31232

WASHER

SN: B40001-UP

2шт.

7

134-62-71671

BRACKET

SN: B40001-UP

1шт.

8

01010-81240

BOLT

SN: B40001-UP

2шт.

9

01643-31232

WASHER

SN: B40001-UP

2шт.

10

134-62-72443

BRACKET

SN: B40153-UP

1шт.

10

134-62-72442

BRACKET

SN: B40001-B40152

1шт.

11

01010-81245

BOLT

SN: B40153-UP

2шт.

11

01010-81240

BOLT

SN: B40001-B40152

2шт.

12

01643-31232

WASHER

SN: B40001-UP

2шт.

13

134-62-72453

BRACKET

SN: B40153-UP

1шт.

13

134-62-72452

BRACKET

SN: B40001-B40152

1шт.

14

01010-81200

BOLT

SN: B40153-UP

2шт.

14

01010-81295

BOLT

SN: B40001-B40152

2шт.

15

01643-31232

WASHER

SN: B40001-UP

2шт.

16

134-49-71353

BRACKET

SN: B40153-UP

1шт.

16

134-49-71352

BRACKET

SN: B40001-B40152

1шт.

17

01010-81245

BOLT

SN: B40153-UP

1шт.

17

01010-81240

BOLT

SN: B40001-B40152

1шт.

18

01643-31232

WASHER

SN: B40001-UP

1шт.

19

134-49-71611

BRACKET

SN: B40001-UP

1шт.

20

01010-81225

BOLT

SN: B40001-UP

2шт.

21

01643-31232

WASHER

SN: B40001-UP

2шт.

22

134-49-71281

BRACKET

SN: B40001-UP

1шт.

23

01010-81035

BOLT

SN: B40001-UP

1шт.

24

01643-31032

WASHER

SN: B40001-UP

1шт.

25

134-49-71361

BRACKET

SN: B40001-UP

1шт.

26

01010-81235

BOLT

SN: B40001-UP

1шт.

27

01643-31232

WASHER

SN: B40001-UP

1шт.

28

134-49-61490

PLATE

SN: B40001-UP

1шт.

29

01010-81240

BOLT

SN: B40001-UP

1шт.

30

01643-31232

WASHER

SN: B40001-UP

1шт.

31

14X-49-32390

BRACKET

SN: B40001-UP

2шт.

32

01010-81235

BOLT

SN: B40001-UP

1шт.

33

01643-31232

WASHER

SN: B40001-UP

1шт.

34

01643-31232

WASHER

SN: B40001-UP

1шт.

35

01010-81035

BOLT

SN: B40001-UP

1шт.

36

01643-31032

WASHER

SN: B40001-UP

1шт.

37

14Z-43-33230

BRACKET

SN: B40001-UP

1шт.

38

01010-81020

BOLT

SN: B40001-UP

1шт.

39

01643-31032

WASHER

SN: B40001-UP

1шт.

Выбрано товаров: 49