Запчасти Komatsu D61EX-15 СИЛОВАЯ ЛИНИЯ (ДАТЧИК И КРЕПЛЕНИЕ) (ДЛЯ ТЯГОВ. ЛЕБЕДКИ) F [СИЛОВАЯ ПЕРЕДАЧА И КОНЕЧНАЯ ПЕРЕДАЧА]

Схема запчастей Komatsu D61EX-15 - СИЛОВАЯ ЛИНИЯ (ДАТЧИК И КРЕПЛЕНИЕ) (ДЛЯ ТЯГОВ. ЛЕБЕДКИ) F [СИЛОВАЯ ПЕРЕДАЧА И КОНЕЧНАЯ ПЕРЕДАЧА]
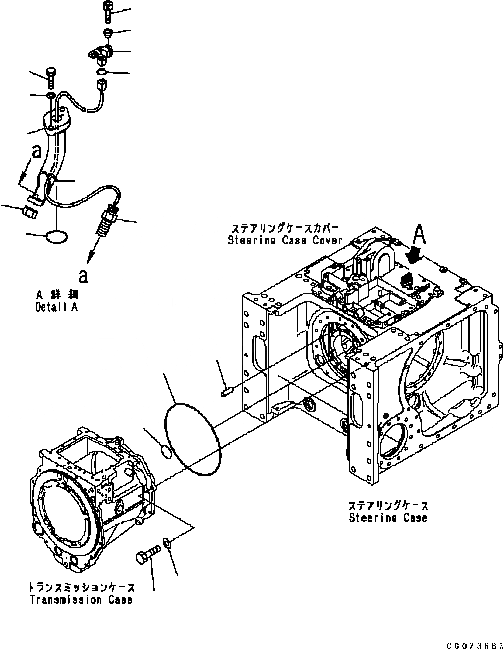
5
4
3
6
9
10
2
1
8
7
1
14
13
15
11
12
FIT
1:1
100%

Артикул

Название

Примечание

Количество

|1

134-22-70010

POWER LINE ASSEMBLY

SN: B40001-UP

1шт.

|$2

THIS ASSEMBLY CONSISTS OF ALL PARTS SHOWN IN FIGS.F2300-51A1 TO F2300-64A1.

-1шт.

|1

14Y-22-35501

SENSOR ASSEMBLY

SN: B40001-UP

1шт.

1

14Y-22-35511

SENSOR

SN: B40001-UP

1шт.

2

14Y-22-37410

TUBE

SN: B40001-UP

1шт.

3

14Y-22-37440

CONNECTOR

SN: B40001-UP

1шт.

4

14Y-22-37420

COLLAR

SN: B40001-UP

1шт.

5

01252-70516

BOLT

SN: B40001-UP

1шт.

6

14Y-22-37470

O-RING

SN: B40527-UP

1шт.

|6

41E-16-11220

O-RING

SN: B40001-B40526

1шт.

7

14Y-22-37450

BAND

SN: B40001-UP

1шт.

8

14Y-22-37460

O-RING

SN: B40527-UP

1шт.

|8

706-76-71390

O-RING

SN: B40001-B40526

1шт.

9

01010-81030

BOLT

SN: B40001-UP

2шт.

10

01643-31032

WASHER

SN: B40001-UP

2шт.

11

01010-81650

BOLT

SN: B40001-UP

13шт.

12

01643-31645

WASHER

SN: B40001-UP

13шт.

13

07000-75375

O-RING

SN: B40001-UP

1шт.

14

04020-01228

PIN

SN: B40001-UP

1шт.

15

07000-72075

O-RING

SN: B40001-UP

1шт.

Выбрано товаров: 20