Запчасти Komatsu D61EX-15 ГИДР. БАК. H [ГИДРАВЛИКА]

Схема запчастей Komatsu D61EX-15 - ГИДР. БАК. H [ГИДРАВЛИКА]
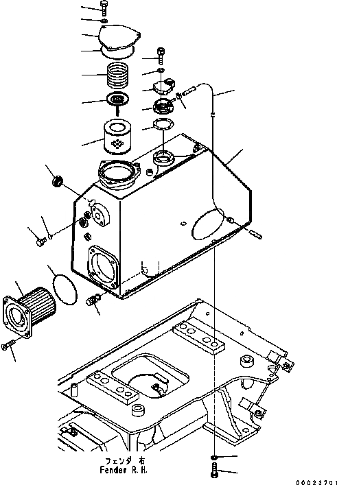
16
17
14
15
19
20
18
2
22
21
12
6
7
3
4
5
8
9
1
11
13
10
24
23
FIT
1:1
100%

Артикул

Название

Примечание

Количество

1

134-60-71115

TANK

SN: B40139-UP

1шт.

|1

134-60-71114

TANK

SN: B40001-B40138

1шт.

2

20N-60-11143

GAUGE

SN: B40001-UP

1шт.

|2

20N-60-11181

GASKET

SN: B40001-UP

1шт.

3

14X-60-31130

CAP

SN: B40001-UP

1шт.

|4

20Y-60-21470

ELEMENT

SN: B40001-UP

1шт.

4

201-60-12172

FILLER NECK

SN: B40001-UP

1шт.

5

20Y-60-21340

GASKET

SN: B40001-UP

1шт.

6

01252-70514

BOLT

SN: B40001-UP

6шт.

7

01601-20513

WASHER

SN: B40001-UP

6шт.

8

07285-00095

CLIP

SN: B40001-UP

1шт.

9

07270-00890

TUBE

SN: B40001-UP

1шт.

10

124-60-51150

PLUG

SN: B40001-UP

1шт.

11

17A-60-11121

STRAINER

SN: B40001-UP

1шт.

12

07000-12135

O-RING

SN: B40001-UP

1шт.

13

01224-40616

SCREW

SN: B40001-UP

2шт.

14

201-60-62150

COVER

SN: B40001-UP

1шт.

15

07000-12135

O-RING

SN: B40001-UP

1шт.

16

01010-81030

BOLT

SN: B40001-UP

3шт.

17

01643-31032

WASHER

SN: B40001-UP

3шт.

18

21W-60-41121

ELEMENT

SN: B40001-UP

1шт.

19

198-49-11460

SPRING

SN: B40001-UP

1шт.

20

21W-60-41170

VALVE ASSEMBLY

SN: B40001-UP

1шт.

21

07040-11409

PLUG

SN: B40001-UP

1шт.

22

07002-11423

O-RING

SN: B40001-UP

1шт.

23

01010-81660

BOLT

SN: B40001-UP

4шт.

24

01643-31645

WASHER

SN: B40001-UP

4шт.

Выбрано товаров: 27