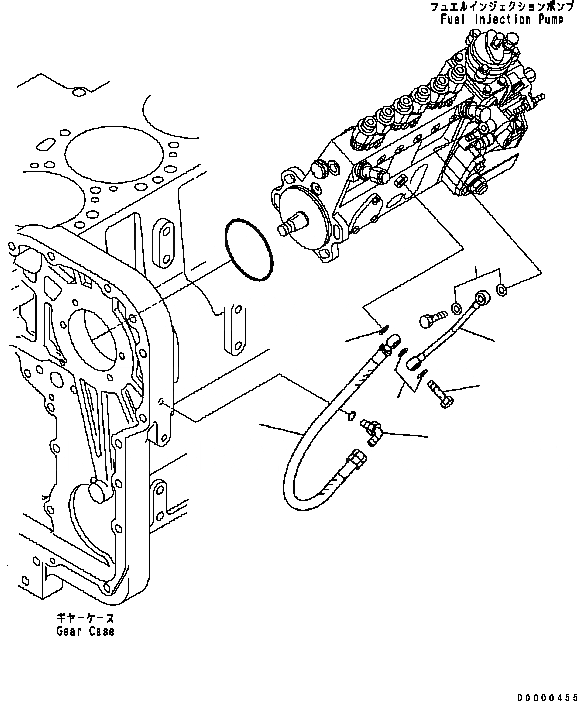
Запчасти Komatsu D61EX-15 ТОПЛИВН. ВПРЫСК МАСЛОПРОВОДЯЩАЯ ЛИНИЯ ДВИГАТЕЛЬ]

Схема запчастей Komatsu D61EX-15 - ТОПЛИВН. ВПРЫСК МАСЛОПРОВОДЯЩАЯ ЛИНИЯ ДВИГАТЕЛЬ]
5
4
3
1
4
4
2
FIT
1:1
100%

Артикул

Название

Примечание

Количество

1

6742-01-2350

ELBOW

SN: 30481088-UP

2шт.

2

6742-01-5036

HOSE

SN: 30481088-UP

1шт.

3

6735-71-5420

BOLT, JOINT

SN: 30481088-UP

1шт.

4

6731-71-5860

RING (K2)

SN: 30481088-UP

5шт.

5

6742-71-5410

TUBE

SN: 30481088-UP

1шт.

Выбрано товаров: 5