Запчасти Komatsu D61EX-15 МОТОР ВЕНТИЛЯТОРА (/) Y [ОСНОВН. КОМПОНЕНТЫ И РЕМКОМПЛЕКТЫ]

Схема запчастей Komatsu D61EX-15 - МОТОР ВЕНТИЛЯТОРА (/) Y [ОСНОВН. КОМПОНЕНТЫ И РЕМКОМПЛЕКТЫ]
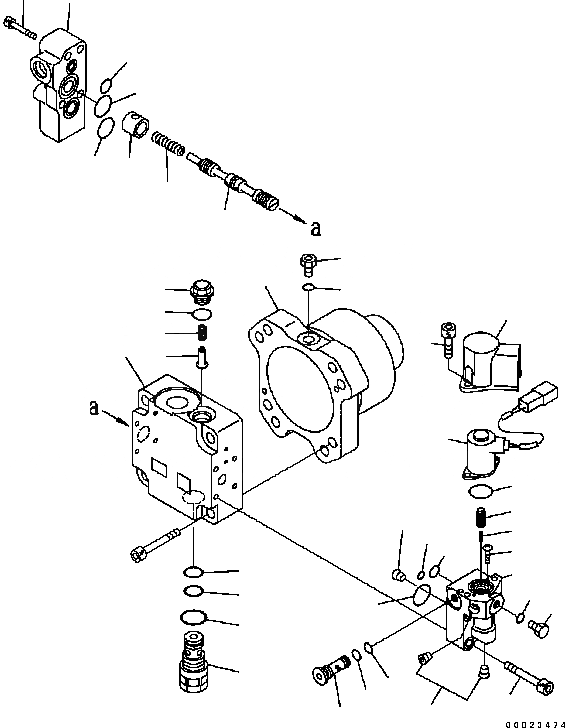
16
12
15
14
13
11
10
9
1
2
3
7
8
6
5
4
23
31
37
38
39
36
32
33
34
22
27
30
26
24
17
18
20
21
25
19
29
28
35
FIT
1:1
100%

Артикул

Название

Примечание

Количество

|1

708-7S-00352

MOTOR ASSEMBLY

SN: B40527-UP

1шт.

|1

708-7S-00351

MOTOR ASSEMBLY

SN: B40001-B40526

1шт.

|$2

THIS ASSEMBLY CONSISTS OF ALL PARTS SHOWN IN FIGS.Y1642-11A0 AND Y1642-12A0.

-1шт.

1

0

CASE

SN: B40001-UP

1шт.

2

07040-11007

PLUG

SN: B40001-UP

1шт.

3

07002-21023

O-RING

SN: B40001-UP

1шт.

|4

0

COVER SUB ASSEMBLY

SN: B40001-UP

1шт.

4

0

COVER, END

SN: B40001-UP

1шт.

5

0

VALVE

SN: B40001-UP

1шт.

6

0

SPRING

SN: B40001-UP

1шт.

7

0

PLUG

SN: B40001-UP

1шт.

8

07002-21823

O-RING

SN: B40001-UP

1шт.

9

0

SPOOL

SN: B40001-UP

1шт.

10

0

SPRING

SN: B40001-UP

1шт.

11

0

SPACER

SN: B40001-UP

1шт.

12

0

COVER

SN: B40001-UP

1шт.

13

07000-E2020

O-RING

SN: B40001-UP

1шт.

14

07000-E2025

O-RING

SN: B40001-UP

1шт.

15

07000-E2012

O-RING

SN: B40001-UP

1шт.

16

01252-60845

BOLT

SN: B40001-UP

4шт.

|17

0

PILOT VALVE ASSEMBLY

SN: B40001-UP

1шт.

17

0

SOLENOID

SN: B40001-UP

1шт.

18

0

O-RING

SN: B40001-UP

1шт.

19

0

CASE

SN: B40001-UP

1шт.

20

0

SPOOL

SN: B40001-UP

1шт.

21

0

SPRING

SN: B40001-UP

1шт.

22

0

PLUG

SN: B40001-UP

2шт.

23

01252-60616

BOLT

SN: B40001-UP

2шт.

24

0

O-RING

SN: B40001-UP

1шт.

25

0

SCREW

SN: B40001-UP

2шт.

26

07000-11008

O-RING

SN: B40001-UP

1шт.

27

0

O-RING

SN: B40001-UP

1шт.

28

07040-11007

PLUG

SN: B40001-UP

1шт.

29

07002-11023

O-RING

SN: B40001-UP

1шт.

30

708-2L-29460

ORIFICE

SN: B40001-UP

1шт.

31

0

COVER

SN: B40001-UP

1шт.

32

0

FILTER

SN: B40001-UP

1шт.

33

0

O-RING

SN: B40001-UP

1шт.

34

0

O-RING

SN: B40001-UP

1шт.

35

01252-60835

BOLT

SN: B40001-UP

4шт.

36

708-7T-02270

VALVE ASSEMBLY, RELIEF

SN: B40001-UP

1шт.

37

07000-F2016

O-RING

SN: B40001-UP

1шт.

38

07001-02016

RING

SN: B40001-UP

1шт.

39

07002-12434

O-RING

SN: B40001-UP

1шт.

Выбрано товаров: 44