Запчасти Komatsu D61EX-15 УПРАВЛЯЮЩ. КЛАПАН (4-Х СЕКЦИОНН.) (/) (ДЛЯ ПРЯМОГО ОТВАЛА) Y [ОСНОВН. КОМПОНЕНТЫ И РЕМКОМПЛЕКТЫ]

Схема запчастей Komatsu D61EX-15 - УПРАВЛЯЮЩ. КЛАПАН (4-Х СЕКЦИОНН.) (/) (ДЛЯ ПРЯМОГО ОТВАЛА) Y [ОСНОВН. КОМПОНЕНТЫ И РЕМКОМПЛЕКТЫ]
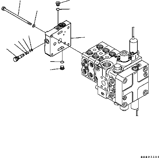
9
10
2
3
1
6
7
5
8
4
3
2
FIT
1:1
100%

Артикул

Название

Примечание

Количество

|1

723-24-11200

CONTROL VALVE

SN: B40001-UP

1шт.

|$2

THIS ASSEMBLY CONSISTS OF ALL PARTS SHOWN IN FIGS.Y1664-21A0 T0 Y1664-32A0.

-1шт.

1

0

COVER

SN: B40001-UP

1шт.

2

702-21-55620

PLUG

SN: B40001-UP

2шт.

3

07002-11423

O-RING

SN: B40001-UP

2шт.

4

723-26-15190

PLUG

SN: B40001-UP

1шт.

5

07000-11007

O-RING

SN: B40001-UP

1шт.

6

07001-01007

RING, BACK-UP

SN: B40001-UP

1шт.

7

07000-11009

O-RING

SN: B40001-UP

1шт.

8

07001-01009

RING

SN: B40001-UP

1шт.

9

700-85-11120

BOLT

SN: B40001-UP

4шт.

10

01643-31032

WASHER

SN: B40001-UP

4шт.

Выбрано товаров: 12