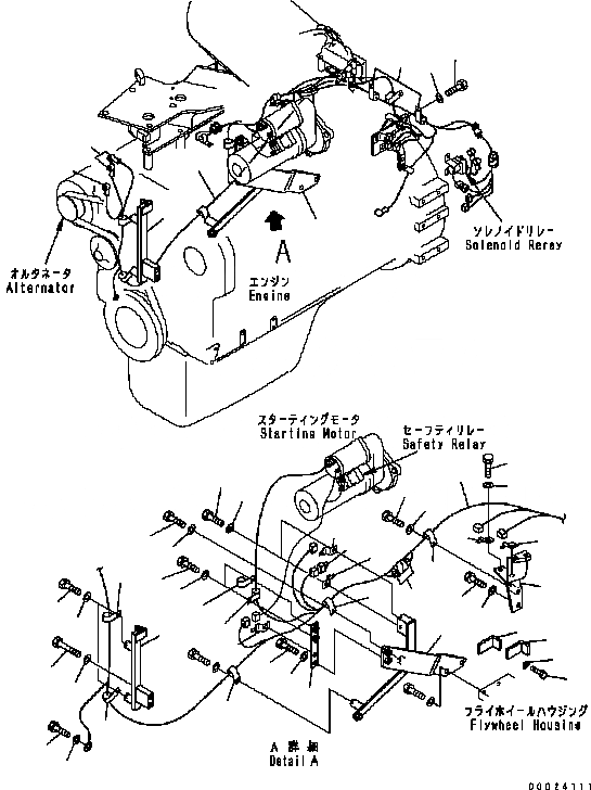
Запчасти Komatsu D61EX-15 ДВИГАТЕЛЬ ЭЛЕКТРОПРОВОДКА (ПРАВ.) B [КОМПОНЕНТЫ ДВИГАТЕЛЯ]

Схема запчастей Komatsu D61EX-15 - ДВИГАТЕЛЬ ЭЛЕКТРОПРОВОДКА (ПРАВ.) B [КОМПОНЕНТЫ ДВИГАТЕЛЯ]
26
25
13
22
1
37
39
41
7
8
5
23
6
35
36
22
42
40
34
32
33
1
24
2
27
29
28
30
9
10
12
11
19
3
4
20
21
14
15
16
18
17
13
16
40
31
38
44
43
46
45
FIT
1:1
100%

Артикул

Название

Примечание

Количество

1

134-01-72351

BRACKET

SN: B41412-UP

1шт.

|1

134-01-72350

BRACKET

SN: B40001-B41411

1шт.

2

04434-52711

CLIP

SN: B40001-UP

1шт.

3

01010-81020

BOLT

SN: B40001-UP

1шт.

4

01643-31032

WASHER

SN: B40001-UP

1шт.

5

08193-20010

CLIP

SN: B40001-UP

1шт.

6

08053-01510

CLIP

SN: B40001-B41411

1шт.

7

01010-81020

BOLT

SN: B40001-UP

2шт.

8

01643-31032

WASHER

SN: B40001-UP

2шт.

9

04434-51010

CLIP

SN: B40001-UP

1шт.

10

04434-50610

CLIP

SN: B40001-UP

1шт.

11

01010-81020

BOLT

SN: B40001-UP

1шт.

12

01643-31032

WASHER

SN: B40001-UP

2шт.

13

134-06-72610

BRACKET

SN: B40001-UP

1шт.

14

01010-81085

BOLT

SN: B40001-UP

2шт.

15

01643-31032

WASHER

SN: B40001-UP

2шт.

16

04434-51410

CLIP

SN: B40001-UP

2шт.

17

01010-81016

BOLT

SN: B40001-UP

1шт.

18

01643-31032

WASHER

SN: B40001-UP

1шт.

19

04434-51910

CLIP

SN: B41412-UP

1шт.

|19

04434-51710

CLIP

SN: B40001-B41411

1шт.

20

01010-81016

BOLT

SN: B40001-UP

1шт.

21

01643-31032

WASHER

SN: B40001-UP

1шт.

22

134-06-71133

WIRING HARNESS

SN: B41412-UP

1шт.

|22

134-06-71132

WIRING HARNESS

SN: B40001-B41411

1шт.

23

22U-06-11270

FUSIBLE LINK, 65A

SN: B40001-UP

1шт.

24

21X-06-31530

DIODE

SN: B40001-UP

4шт.

25

08038-00519

CAP

SN: B40001-UP

1шт.

26

08038-02027

CAP

SN: B40001-UP

2шт.

27

134-01-61620

PLATE

SN: B40001-UP

1шт.

28

01010-81030

BOLT

SN: B40001-UP

2шт.

29

01643-31032

WASHER

SN: B40001-UP

2шт.

30

08193-20010

CLIP

SN: B40001-UP

1шт.

31

134-06-71510

BRACKET

SN: B40001-UP

1шт.

32

01010-81025

BOLT

SN: B40001-UP

1шт.

33

01643-31032

WASHER

SN: B40001-UP

1шт.

34

04434-52711

CLIP

SN: B40001-UP

1шт.

35

01010-81060

BOLT

SN: B40001-UP

1шт.

36

01643-31032

WASHER

SN: B40001-UP

1шт.

37

04434-52711

CLIP

SN: B40001-UP

2шт.

38

01010-81020

BOLT

SN: B40001-UP

2шт.

39

01643-31032

WASHER

SN: B40001-UP

2шт.

40

08193-20010

CLIP

SN: B40001-UP

2шт.

41

01010-81020

BOLT

SN: B40001-UP

2шт.

42

01643-31032

WASHER

SN: B40001-UP

2шт.

43

134-06-71220

BRACKET

SN: B41412-UP

1шт.

44

134-06-71230

BRACKET

SN: B41412-UP

1шт.

45

01010-81020

BOLT

SN: B41412-UP

1шт.

46

01643-31032

WASHER

SN: B41412-UP

1шт.

Выбрано товаров: 49