Качественные детали и логистика
Оригинальные и аналоговые запчасти с доставкой по России, Казахстану и Беларуси
©2022 PartSell ООО "Система" ИНН 2463123282 ОГРН 1212400004838
Центральный офис: г. Красноярск, Академика Киренского, д.87, пом.4
Телефон: 8 (800) 777-65-74 Email: zakaz@partsell.ru
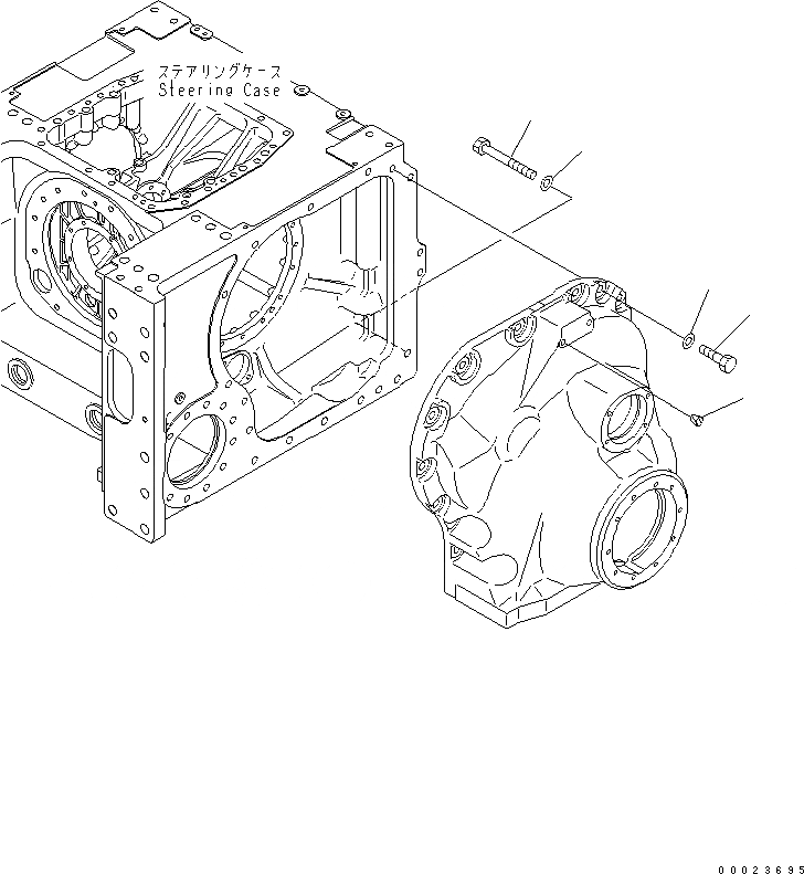
КОНЕЧНАЯ ПЕРЕДАЧА (КРЕПЛЕНИЕ)
№
Артикул
Название
Примечание
Количество
1
01010-82060
BOLT
SN: B45001-UP
36шт.
2
01011-82000
2шт.
3
01643-32060
WASHER
38шт.
4
07049-01620
PLUG
4шт.
Выбрано товаров: 0