Запчасти Komatsu D61EX-15E0-BW ГИДР. БАК. (№B-B88) ГИДРАВЛИКА

Схема запчастей Komatsu D61EX-15E0-BW - ГИДР. БАК. (№B-B88) ГИДРАВЛИКА
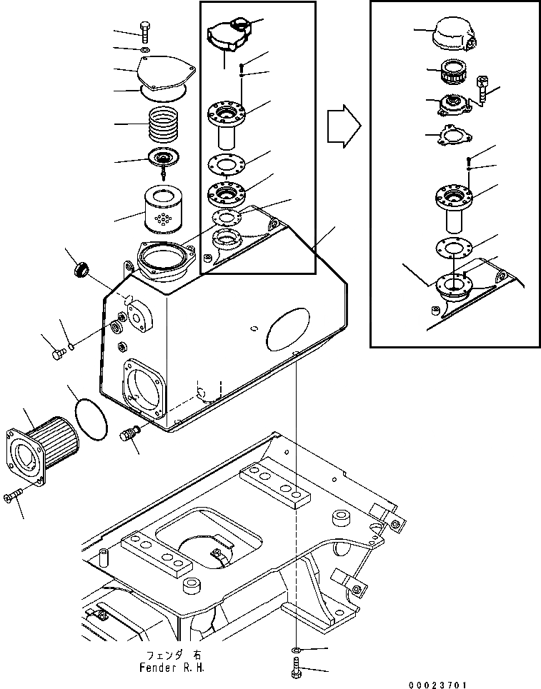
3
6
7
4
5
24
25
1
14
15
12
13
17
18
16
2
20
19
10
9
11
8
22
21
23
5
3
3A
3B
3
3C
6
7
1
3A
4
FIT
1:1
100%

Артикул

Название

Примечание

Количество

1

134-60-72110

TANK

SN: B45226-@

1шт.

|1

134-60-71115

TANK

SN: B45001-B45225

1шт.

2

20N-60-11143

GAUGE

SN: B45001-@

1шт.

|2

20N-60-11181

GASKET

SN: B45001-B46188

1шт.

3

208-60-51700

BREATHER ASS'Y

SN: B45226-B46188

1шт.

|3

14X-60-31130

CAP

SN: B45001-B45225

1шт.

3A

20Y-60-21410

ELEMENT

SN: B45226-B46188

1шт.

|3

20Y-60-21470

ELEMENT

SN: B45001-B45225

1шт.

3B

01252-30820

BOLT

SN: B45226-B46188

3шт.

3C

20Y-60-21420

PACKING

SN: B45226-B46188

1шт.

4

14X-60-31172

STRAINER

SN: B45001-B46188

1шт.

5

14X-60-31280

GASKET

SN: B45001-B46188

1шт.

6

01252-70520

BOLT

SN: B45226-B46188

6шт.

|6

01252-70514

BOLT

SN: B45001-B45225

12шт.

7

01601-20513

WASHER

SN: B45226-B46188

6шт.

|7

01601-20513

WASHER

SN: B45001-B45225

12шт.

8

124-60-51150

PLUG

SN: B45001-@

1шт.

9

17A-60-11121

STRAINER

SN: B45001-@

1шт.

10

07000-12135

O-RING

SN: B45001-@

1шт.

11

01224-40616

SCREW

SN: B45001-@

2шт.

12

201-60-62150

COVER

SN: B45001-@

1шт.

13

07000-12135

O-RING

SN: B45001-@

1шт.

14

01010-81030

BOLT

SN: B45001-B46188

3шт.

15

01643-31032

WASHER

SN: B45001-B46188

3шт.

16

21W-60-41121

ELEMENT

SN: B45001-@

1шт.

17

198-49-11460

SPRING

SN: B45001-@

1шт.

18

21W-60-41170

VALVE ASS'Y

SN: B45001-@

1шт.

19

07040-11409

PLUG

SN: B45001-@

1шт.

20

07002-11423

O-RING

SN: B45001-@

1шт.

21

01010-81650

BOLT

SN: B45001-@

4шт.

22

01643-31645

WASHER

SN: B45001-@

4шт.

23

04020-00514

PIN

SN: B45226-@

1шт.

24

134-60-72190

STRAINER

SN: B45001-B45225

1шт.

25

20Y-60-21340

GASKET

SN: B45001-B45225

1шт.

Выбрано товаров: 34