Запчасти Komatsu D61EX-15E0-BW ГИДР. БАК. (№B89-) ГИДРАВЛИКА

Схема запчастей Komatsu D61EX-15E0-BW - ГИДР. БАК. (№B89-) ГИДРАВЛИКА
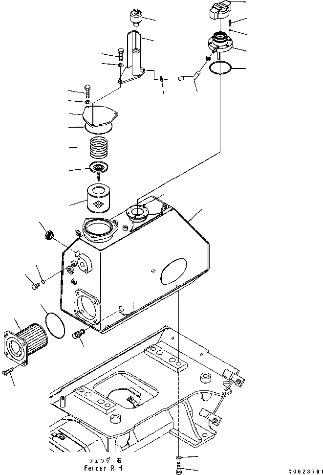
1
25
10
11
12
23
2
20
22
27
26
19
18
8
16
16
14
15
21
3
6
7
5
4
9
13
29
28
24
FIT
1:1
100%

Артикул

Название

Примечание

Количество

1

134-60-72110

TANK

SN: B45226-UP

1шт.

2

20N-60-11143

GAUGE

SN: B45001-UP

1шт.

3

07092-01000

CAP

SN: B46189-UP

1шт.

4

07000-12070

O-RING

SN: B46189-UP

1шт.

5

134-60-72120

FILLER

SN: B46189-UP

1шт.

6

01252-70525

BOLT

SN: B46189-UP

6шт.

7

01601-20513

WASHER

SN: B46189-UP

6шт.

8

134-60-72130

BRACKET

SN: B46189-UP

1шт.

9

195-60-51550

BREATHER

SN: B46189-UP

1шт.

|9

421-60-35170

ELEMENT

SN: B46189-UP

1шт.

10

124-60-51150

PLUG

SN: B45001-UP

1шт.

11

17A-60-11121

STRAINER

SN: B45001-UP

1шт.

12

07000-12135

O-RING

SN: B45001-UP

1шт.

13

01224-40616

SCREW

SN: B45001-UP

2шт.

14

201-60-62150

COVER

SN: B45001-UP

1шт.

15

07000-12135

O-RING

SN: B45001-UP

1шт.

16

01010-81030

BOLT

SN: B46189-UP

1шт.

17

01643-31032

WASHER

SN: B46189-UP

1шт.

18

01010-81040

BOLT

SN: B46189-UP

2шт.

19

01643-31032

WASHER

SN: B46189-UP

2шт.

20

21W-60-41121

ELEMENT

SN: B45001-UP

1шт.

21

198-49-11460

SPRING

SN: B45001-UP

1шт.

22

21W-60-41170

VALVE ASS'Y

SN: B45001-UP

1шт.

23

07040-11409

PLUG

SN: B45001-UP

1шт.

24

07002-11423

O-RING

SN: B45001-UP

1шт.

25

04020-00514

PIN

SN: B45226-UP

1шт.

26

134-60-72140

HOSE

SN: B46189-UP

1шт.

27

11Y-09-11170

CLIP

SN: B46189-UP

2шт.

28

01010-81650

BOLT

SN: B45001-UP

4шт.

29

01643-31645

WASHER

SN: B45001-UP

4шт.

Выбрано товаров: 30