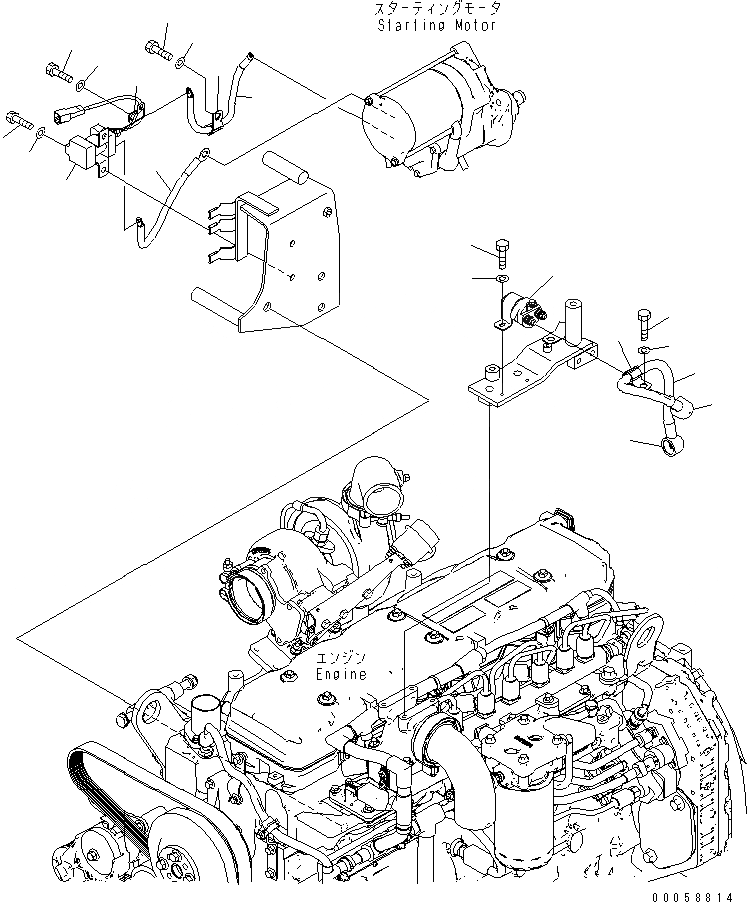
Запчасти Komatsu D61EX-15E0-BW ДВИГАТЕЛЬ ЭЛЕКТРОПРОВОДКА (ОБОГРЕВАТЕЛЬ. РЕЛЕ И STARTER БЕЗОПАСН. РЕЛЕ) КОМПОНЕНТЫ ДВИГАТЕЛЯ

Схема запчастей Komatsu D61EX-15E0-BW - ДВИГАТЕЛЬ ЭЛЕКТРОПРОВОДКА (ОБОГРЕВАТЕЛЬ. РЕЛЕ И STARTER БЕЗОПАСН. РЕЛЕ) КОМПОНЕНТЫ ДВИГАТЕЛЯ
1
2
3
4
5
5
6
7
8
9
10
11
12
13
14
15
16
17
18
19
FIT
1:1
100%

Артикул

Название

Примечание

Количество

1

600-815-2170

SWITCH,HEATER

SN: B45001-UP

1шт.

2

01010-80610

BOLT

SN: B45001-UP

2шт.

3

01643-30623

WASHER

SN: B45001-UP

2шт.

4

134-06-73210

CABLE

SN: B45001-UP

1шт.

5

08038-02027

CAP

SN: B45001-UP

2шт.

6

600-051-2140

CLIP

SN: B45001-UP

1шт.

7

01010-81016

BOLT

SN: B45001-UP

1шт.

8

01643-31032

WASHER

SN: B45001-UP

1шт.

9

124-06-64321

SWITCH,STARTER SAFETY RELAY

SN: B45001-UP

1шт.

10

01010-80816

BOLT

SN: B45001-UP

3шт.

11

01643-30823

WASHER

SN: B45001-UP

3шт.

12

600-051-2060

CLIP

SN: B45001-UP

1шт.

13

01010-81020

BOLT

SN: B45001-UP

1шт.

14

01643-31032

WASHER

SN: B45001-UP

1шт.

15

134-06-73140

CABLE

SN: B45001-UP

1шт.

16

134-06-73130

CABLE

SN: B45001-UP

1шт.

17

600-051-2100

CLIP

SN: B45001-UP

1шт.

18

01010-81016

BOLT

SN: B45001-UP

1шт.

19

01643-31032

WASHER

SN: B45001-UP

1шт.

Выбрано товаров: 19