Запчасти Komatsu D61EX-15E0-BW КАБИНА (ЧАСТИ ОБШИВКИ) (/) (№B-) КАБИНА ОПЕРАТОРА И СИСТЕМА УПРАВЛЕНИЯ

Схема запчастей Komatsu D61EX-15E0-BW - КАБИНА (ЧАСТИ ОБШИВКИ) (/) (№B-) КАБИНА ОПЕРАТОРА И СИСТЕМА УПРАВЛЕНИЯ
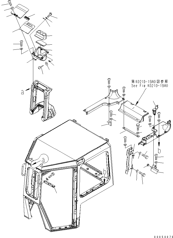
1
2
3
4
5
6
7
8
9
10
11
12
13
14
15
16
17
18
19
20
21
22
23
24
25
25
26
27
28
29
30
30
31
31
32
33
FIT
1:1
100%

Артикул

Название

Примечание

Количество

1

17A-Z11-1970

BRACKET,L.H.

SN: B45001-@

1шт.

2

09415-01008

CAP

SN: B45001-@

2шт.

3

01245-00620

SCREW

SN: B45001-@

3шт.

4

01643-70623

WASHER

SN: B45001-@

3шт.

5

17A-Z11-1980

BRACKET,R.H.

SN: B45001-@

1шт.

6

01245-00620

SCREW

SN: B45001-@

2шт.

7

01643-70623

WASHER

SN: B45001-@

2шт.

8

17A-Z11-1990

BRACKET

SN: B45001-@

1шт.

9

01010-81016

BOLT

SN: B45001-@

2шт.

10

01643-31032

WASHER

SN: B45001-@

2шт.

11

17A-Z11-3531

BRACKET

SN: B45001-@

1шт.

12

134-54-75580

BRACKET

SN: B45001-@

1шт.

13

01010-80816

BOLT

SN: B45001-@

2шт.

14

01643-30823

WASHER

SN: B45001-@

2шт.

15

134-54-75590

BRACKET

SN: B45001-@

1шт.

16

01010-80816

BOLT

SN: B45001-@

2шт.

17

01643-30823

WASHER

SN: B45001-@

2шт.

|18

17A-Z11-3860

BOX ASS'Y

SN: B45001-B46456

1шт.

18

17A-Z11-3931

BOX

SN: B45001-B46456

1шт.

19

17A-Z11-3941

PLATE

SN: B45001-B46456

1шт.

20

17A-Z11-2970

CUSHION

SN: B45001-B46456

1шт.

21

17A-Z11-2992

SHEET

SN: B45001-B46456

1шт.

22

17A-Z11-3982

HINGE

SN: B45001-B46456

1шт.

23

01245-00616

SCREW

SN: B45001-B46456

4шт.

24

01643-70623

WASHER

SN: B45001-B46456

4шт.

25

17A-Z11-3970

LOCK ASS'Y

SN: B45001-B46456

2шт.

26

01370-10308

SCREW

SN: B45001-B46456

4шт.

27

17A-Z11-7850

WASHER

SN: B45001-B46456

4шт.

28

17A-Z11-2590

PLATE

SN: B45001-B46456

1шт.

29

17A-Z11-2890

PLATE

SN: B45001-B46456

1шт.

30

01245-00616

SCREW

SN: B45001-B46456

4шт.

31

01643-70623

WASHER

SN: B45001-B46456

4шт.

32

17A-Z11-2960

CUSHION

SN: B45001-B46456

1шт.

33

22U-00-21510

PLATE

SN: B45001-B46456

1шт.

34

198-Z11-3960

SEAL,(NOT SHOWN)

SN: B45001-B46456

1шт.

Выбрано товаров: 35