Запчасти Komatsu D61EX-15E0-BW DOZER РАМА (ПОВОРОТН. ОТВАЛ С ИЗМ. УГЛОМ DOZER) (ДЛЯ УДЛИНН. ГУСЕНИЦЫ) РАБОЧЕЕ ОБОРУДОВАНИЕ

Схема запчастей Komatsu D61EX-15E0-BW - DOZER РАМА (ПОВОРОТН. ОТВАЛ С ИЗМ. УГЛОМ DOZER) (ДЛЯ УДЛИНН. ГУСЕНИЦЫ) РАБОЧЕЕ ОБОРУДОВАНИЕ
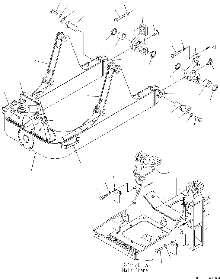
1
2
3
4
5
6
7
8
8
9
10
11
11
12
13
14
15
15
16
17
17
18
18
19
19
20
20
21
21
22
22
23
23
24
24
25
25
FIT
1:1
100%

Артикул

Название

Примечание

Количество

1

13G-72-71203

FRAME ASS'Y

SN: B45001-UP

1шт.

2

134-72-71230

BRACKET (WELDED)

SN: B45001-UP

1шт.

3

134-72-71240

BRACKET (WELDED)

SN: B45001-UP

1шт.

4

13G-72-71251

BRACKET {L.H.} (WELDED)

SN: B45001-UP

1шт.

5

13G-72-71261

BRACKET {R.H.} (WELDED)

SN: B45001-UP

1шт.

6

134-72-61271

BRACKET {L.H.} (WELDED)

SN: B45001-UP

1шт.

7

134-72-61430

BRACKET {R.H.} (WELDED)

SN: B45001-UP

1шт.

8

126-72-11262

STEP (WELDED)

SN: B45001-UP

2шт.

|9

134-72-00011

BRACKET ASS'Y

SN: B45001-UP

1шт.

9

0

BRACKET

SN: B45001-UP

1шт.

10

134-72-71850

BUSHING

SN: B45001-UP

1шт.

11

07145-00085

SEAL {DUST}

SN: B45001-UP

2шт.

12

202-62-21430

ELBOW

SN: B45001-UP

1шт.

|13

134-72-00021

BRACKET ASS'Y

SN: B45001-UP

1шт.

13

0

BRACKET

SN: B45001-UP

1шт.

14

134-72-71850

BUSHING

SN: B45001-UP

1шт.

15

07145-00085

SEAL {DUST}

SN: B45001-UP

2шт.

16

202-62-21430

ELBOW

SN: B45001-UP

1шт.

17

134-72-61331

PIN

SN: B45001-UP

2шт.

18

205-70-66580

PLATE

SN: B45001-UP

2шт.

19

01010-81230

BOLT

SN: B45001-UP

4шт.

20

01643-31232

WASHER

SN: B45001-UP

4шт.

21

01011-83005

BOLT

SN: B45001-UP

12шт.

22

01643-33080

WASHER

SN: B45001-UP

12шт.

23

134-72-71371

COVER

SN: B45001-UP

2шт.

24

01010-81225

BOLT

SN: B45001-UP

4шт.

25

01643-31232

WASHER

SN: B45001-UP

4шт.

Выбрано товаров: 27