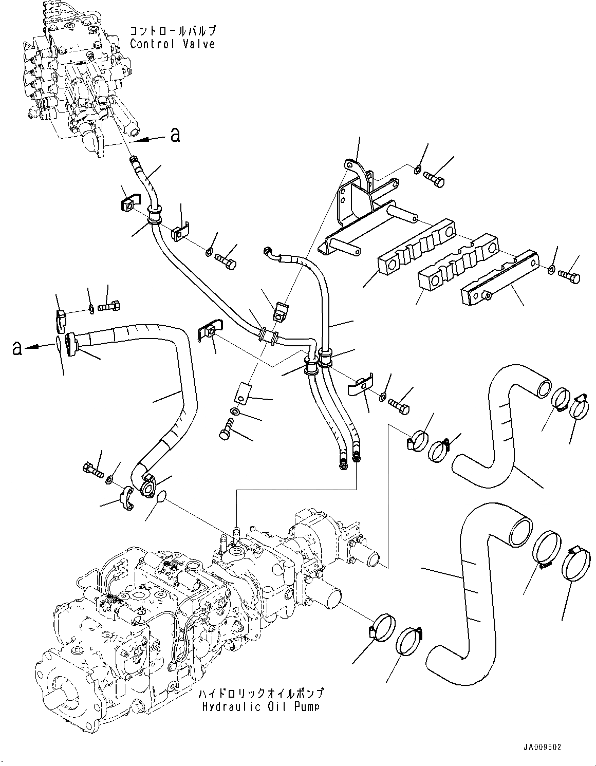
Запчасти Komatsu D61EX-23 ГИДР. НАСОС. ТРУБЫ, ПОДАЮЩ. ТРУБЫ (№-) ГИДР. НАСОС. ТРУБЫ

Схема запчастей Komatsu D61EX-23 - ГИДР. НАСОС. ТРУБЫ, ПОДАЮЩ. ТРУБЫ (№-) ГИДР. НАСОС. ТРУБЫ
1
2
3
4
5
6
7
8
9
10
11
12
13
14
15
16
17
18
24
25
26
27
28
10
10
10
12
11
13
15
16
25
26
28
28
28
20
20
22
23
21
19
20
21
22
23
20
FIT
1:1
100%

Артикул

Название

Примечание

Количество

1

13Y-62-11371

Bracket

SN: 30001-UP

1шт.

2

01010-81225

Bolt

SN: 30001-UP

4шт.

3

01643-31232

Washer

SN: 30001-UP

4шт.

4

13Y-62-11421

Clamp

SN: 30001-UP

1шт.

5

13Y-62-11381

Rubber

SN: 30001-UP

1шт.

6

13Y-62-11391

Rubber

SN: 30001-UP

1шт.

7

01010-81225

Bolt

SN: 30001-UP

2шт.

8

01643-31232

Washer

SN: 30001-UP

2шт.

9

07098-01010

Hose, Flange Type

SN: 30001-UP

1шт.

10

07371-31049

Flange, Split

SN: 30001-UP

4шт.

11

01643-51032

Washer

SN: 30001-UP

8шт.

12

07372-21035

Bolt

SN: 30001-UP

8шт.

13

07000-13032

O-ring

SN: 30001-UP

2шт.

14

13Y-62-11331

Hose

SN: 30001-UP

1шт.

15

22P-62-13540

Clamp

SN: 30001-UP

2шт.

16

07095-00314

Cushion

SN: 30001-UP

2шт.

17

01010-81260

Bolt

SN: 30001-UP

1шт.

18

01643-31232

Washer

SN: 30001-UP

1шт.

19

13Y-62-11351

Hose

SN: 30001-UP

1шт.

20

22P-62-13510

Clamp

SN: 30001-UP

4шт.

21

07095-00314

Cushion

SN: 30001-UP

2шт.

22

01010-81260

Bolt

SN: 30001-UP

2шт.

23

01643-31232

Washer

SN: 30001-UP

2шт.

24

13Y-62-11932

Hose

SN: 30001-UP

1шт.

25

07289-00080

Clamp

SN: 30001-UP

2шт.

26

07289-00095

Clamp

SN: 30001-UP

2шт.

27

13Y-62-11942

Hose

SN: 30001-UP

1шт.

28

07289-00055

Clamp

SN: 30001-UP

4шт.

Выбрано товаров: 28