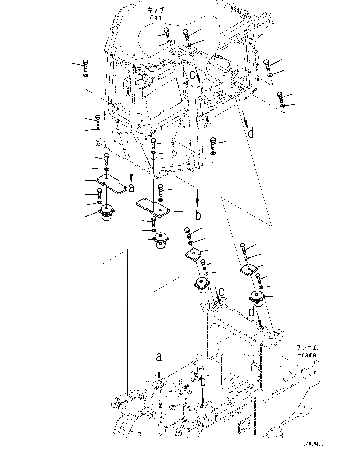
Запчасти Komatsu D61EX-23 КРЕПЛЕНИЕ ПОЛАING (№-) КРЕПЛЕНИЕ ПОЛАING

Схема запчастей Komatsu D61EX-23 - КРЕПЛЕНИЕ ПОЛАING (№-) КРЕПЛЕНИЕ ПОЛАING
19
20
5
17
16
15
14
7
6
7
11
9
6
5
4
8
12
13
2
1
3
4
3
18
13
12
10
14
15
16
17
18
19
20
20
19
8
20
19
9
FIT
1:1
100%

Артикул

Название

Примечание

Количество

1

13Y-54-11352

Plate

SN: 30001-UP

1шт.

2

13Y-54-11371

Plate

SN: 30001-UP

1шт.

3

154-54-73130

Bolt

SN: 30001-UP

2шт.

4

01643-32060

Washer

SN: 30001-UP

2шт.

5

8A31-54-1110

Cushion

SN: 30001-UP

2шт.

6

01010-81235

Bolt

SN: 30001-UP

8шт.

7

01643-31232

Washer

SN: 30001-UP

8шт.

8

198-54-42260

Bolt

SN: 30001-UP

8шт.

9

01643-71645

Washer

SN: 30001-UP

8шт.

10

13Y-54-11780

Plate

SN: 30001-UP

1шт.

11

13Y-54-11790

Plate

SN: 30001-UP

1шт.

12

01010-82460

Bolt

SN: 30001-UP

2шт.

13

01643-32460

Washer

SN: 30001-UP

2шт.

14

17A-54-46120

Cushion

SN: 30001-UP

2шт.

15

01010-81435

Bolt

SN: 30001-UP

8шт.

16

01643-31445

Washer, Flat

SN: 30001-UP

8шт.

17

01010-81645

Bolt

SN: 30001-UP

8шт.

18

01643-31645

Washer

SN: 30001-UP

8шт.

19

01010-82460

Bolt

SN: 30001-UP

4шт.

20

01643-32460

Washer

SN: 30001-UP

4шт.

Выбрано товаров: 20