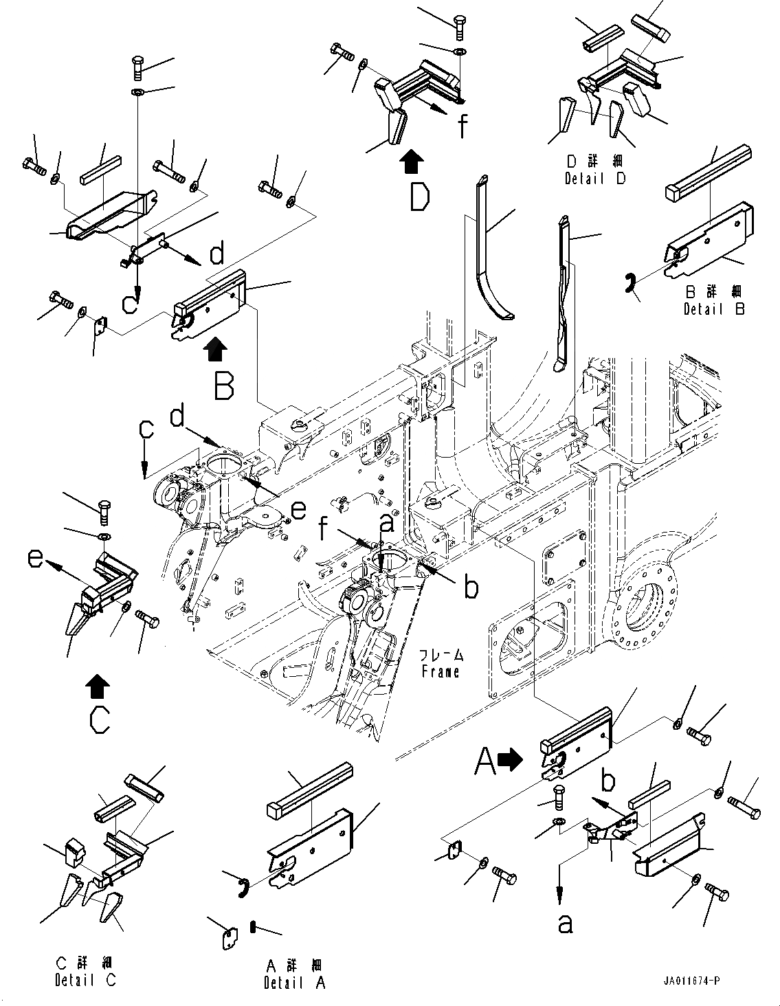
Запчасти Komatsu D61EXI-23 РАМА, КРЫШКАAND УПЛОТНЕНИЕ (№-) РАМА

Схема запчастей Komatsu D61EXI-23 - РАМА, КРЫШКАAND УПЛОТНЕНИЕ (№-) РАМА
1
10
22
22
26
19
20
24
25
31
32
33
40
42
43
34
35
19
20
25
24
28
27
30
29
36
38
39
13
19
20
19
20
37
41
19
20
19
20
4
2
3
23
22
1
14
16
17
18
15
13
7
8
6
5
9
4
11
12
10
21
21
FIT
1:1
100%

Артикул

Название

Примечание

Количество

1

13Y-06-15511

Cover

SN: 30001-UP

1шт.

2

13Y-06-15640

Seal

SN: 30001-UP

1шт.

3

13Y-21-11420

Seal

SN: 30001-UP

1шт.

4

13Y-21-15110

Bracket

SN: 30001-UP

1шт.

5

13Y-21-11440

Seal

SN: 30001-UP

1шт.

6

13Y-21-11450

Seal

SN: 30001-UP

1шт.

7

13Y-21-11611

Seal

SN: 30001-UP

1шт.

8

13Y-21-11621

Seal

SN: 30001-UP

1шт.

9

13Y-21-11631

Seal

SN: 30001-UP

1шт.

10

13Y-06-15531

Cover

SN: 30001-UP

1шт.

11

13Y-06-15640

Seal

SN: 30001-UP

1шт.

12

13Y-21-11420

Seal

SN: 30001-UP

1шт.

13

13Y-21-15130

Bracket

SN: 30001-UP

1шт.

14

13Y-21-11440

Seal

SN: 30001-UP

1шт.

15

13Y-21-11450

Seal

SN: 30001-UP

1шт.

16

13Y-21-11611

Seal

SN: 30001-UP

1шт.

17

13Y-21-11621

Seal

SN: 30001-UP

1шт.

18

13Y-21-11661

Seal

SN: 30001-UP

1шт.

19

01010-81225

Bolt

SN: 30001-UP

8шт.

20

01643-31232

Washer

SN: 30001-UP

8шт.

21

13Y-54-11721

Seal

SN: 30001-UP

2шт.

22

13Y-06-15610

Cover

SN: 30001-UP

2шт.

23

13Y-06-15630

Seal

SN: 30001-UP

1шт.

24

01010-81225

Bolt

SN: 30001-UP

2шт.

25

01643-31232

Washer

SN: 30001-UP

2шт.

26

13Y-06-15411

Bracket

SN: 30001-UP

1шт.

27

01010-81225

Bolt

SN: 30001-UP

1шт.

28

01643-31232

Washer

SN: 30001-UP

1шт.

29

01010-81255

Bolt

SN: 30001-UP

1шт.

30

01643-31232

Washer

SN: 30001-UP

1шт.

31

13Y-06-15421

Bracket

SN: 30001-UP

1шт.

32

01010-81225

Bolt

SN: 30001-UP

1шт.

33

01643-31232

Washer

SN: 30001-UP

1шт.

34

01010-81255

Bolt

SN: 30001-UP

1шт.

35

01643-31232

Washer

SN: 30001-UP

1шт.

36

13Y-06-15430

Cover

SN: 30001-UP

1шт.

37

13Y-06-15470

Seal

SN: 30001-UP

1шт.

38

01010-81225

Bolt

SN: 30001-UP

1шт.

39

01643-31232

Washer

SN: 30001-UP

1шт.

40

13Y-06-15450

Cover

SN: 30001-UP

1шт.

41

13Y-06-15470

Seal

SN: 30001-UP

1шт.

42

01010-81225

Bolt

SN: 30001-UP

1шт.

43

01643-31232

Washer

SN: 30001-UP

1шт.

Выбрано товаров: 43