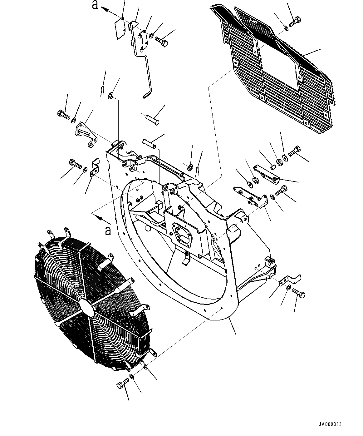
Запчасти Komatsu D61EXI-23 СИСТЕМА ОХЛАЖДЕНИЯ, ЗАЩИТА ВЕНТИЛЯТОРА (№-) СИСТЕМА ОХЛАЖДЕНИЯ

Схема запчастей Komatsu D61EXI-23 - СИСТЕМА ОХЛАЖДЕНИЯ, ЗАЩИТА ВЕНТИЛЯТОРА (№-) СИСТЕМА ОХЛАЖДЕНИЯ
25
27
26
16
18
17
23
21
20
22
23
19
24
1
10
9
8
8
10
9
28
30
29
25
26
27
7
6
5
11
12
13
15
14
3
2
4
FIT
1:1
100%

Артикул

Название

Примечание

Количество

1

13Y-03-12314

Bracket

SN: 30001-UP

1шт.

2

13Y-03-12321

Guard

SN: 30001-UP

1шт.

3

01010-81020

Bolt

SN: 30001-UP

12шт.

4

01643-31032

Washer

SN: 30001-UP

12шт.

5

13Y-03-12332

Net

SN: 30001-UP

1шт.

6

01010-D1030

Bolt

SN: 30001-UP

13шт.

7

01643-71032

Washer

SN: 30001-UP

13шт.

8

11Y-03-31830

Pin

SN: 30001-UP

2шт.

9

01640-22032

Washer

SN: 30001-UP

2шт.

10

04050-15035

Pin, Cotter

SN: 30001-UP

2шт.

11

12Y-03-13361

Plate

SN: 30001-UP

1шт.

12

12Y-03-13351

Plate

SN: 30001-UP

1шт.

13

13Y-03-12382

Bar

SN: 30001-UP

1шт.

14

01010-D0820

Bolt

SN: 30001-UP

2шт.

15

01643-70823

Washer

SN: 30001-UP

2шт.

16

13Y-03-12413

Bracket

SN: 30001-UP

1шт.

17

01010-D1025

Bolt

SN: 30001-UP

3шт.

18

01643-71032

Washer

SN: 30001-UP

3шт.

19

13Y-03-12532

Bracket

SN: 30001-UP

1шт.

20

417-54-13470

Spacer

SN: 30001-UP

2шт.

21

419-06-43150

Cushion

SN: 30001-UP

2шт.

22

419-06-43160

Cushion

SN: 30001-UP

2шт.

23

419-43-17920

Washer

SN: 30001-UP

4шт.

24

01010-81250

Bolt

SN: 30001-UP

2шт.

25

13Y-03-12491

Plate

SN: 30001-UP

2шт.

26

01010-D1025

Bolt

SN: 30001-UP

4шт.

27

01643-71032

Washer

SN: 30001-UP

4шт.

28

13Y-03-12571

Plate

SN: 30001-UP

1шт.

29

01010-D1230

Bolt

SN: 30001-UP

3шт.

30

01643-71232

Washer

SN: 30001-UP

3шт.

Выбрано товаров: 30