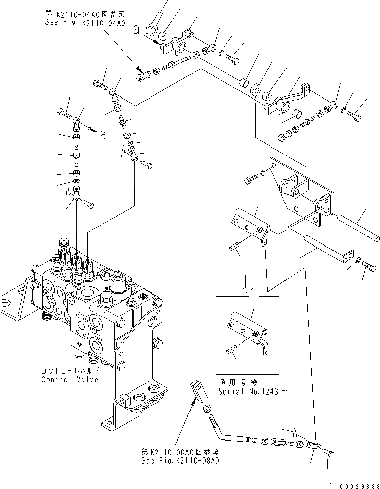
Запчасти Komatsu D61PX-12 ОТВАЛ УПРАВЛ-Е КОРПУС (ДЛЯ ПРЯМОГО ОТВАЛА) КАБИНА ОПЕРАТОРА И СИСТЕМА УПРАВЛЕНИЯ

Схема запчастей Komatsu D61PX-12 - ОТВАЛ УПРАВЛ-Е КОРПУС (ДЛЯ ПРЯМОГО ОТВАЛА) КАБИНА ОПЕРАТОРА И СИСТЕМА УПРАВЛЕНИЯ
1
1
2
2
3
4
5
6
7
8
9
10
10
10
10
11
12
13
14
15
16
17
18
18
19
19
20
20
21
21
22
22
23
24
25
25
26
26
27
27
FIT
1:1
100%

Артикул

Название

Примечание

Количество

1

134-43-64221

LEVER

SN: 1243-UP

1шт.

1

134-43-64220

LEVER

SN: 1001-1242

1шт.

2

124-43-54270

PIN

SN: 1001-UP

1шт.

3

124-43-54221

PIN

SN: 1001-UP

1шт.

4

134-43-64230

PIN

SN: 1001-UP

1шт.

5

01643-30823

WASHER

SN: 1001-UP

1шт.

6

01010-80830

BOLT

SN: 1001-UP

1шт.

7

134-43-64210

BRACKET

SN: 1001-UP

1шт.

8

134-43-64120

LEVER

SN: 1001-UP

1шт.

9

134-43-64130

LEVER

SN: 1001-UP

1шт.

10

06123-01414

BEARING

SN: 1001-UP

4шт.

11

178-43-14330

SPACER

SN: 1001-UP

1шт.

12

134-43-64240

SHIM, 0.3MM

SN: 1001-UP

8шт.

13

04205-10622

PIN

SN: 1001-UP

1шт.

14

04050-11612

PIN,COTTER

SN: 1001-UP

1шт.

15

124-43-54340

YOKE

SN: 1001-UP

1шт.

16

01010-80830

BOLT

SN: 1001-UP

1шт.

17

01010-80825

BOLT

SN: 1001-UP

1шт.

18

01643-30823

WASHER

SN: 1001-UP

2шт.

19

04250-80847

END

SN: 1001-UP

2шт.

20

01010-80825

BOLT

SN: 1001-UP

2шт.

21

04250-80847

END

SN: 1001-UP

2шт.

22

01580-10806

NUT

SN: 1001-UP

2шт.

23

581-43-11870

ROD

SN: 1001-UP

1шт.

24

205-43-72920

BOLT

SN: 1001-UP

1шт.

25

01508-40805

NUT

SN: 1001-UP

2шт.

26

04250-90847

END

SN: 1001-UP

2шт.

27

205-06-64680

WASHER

SN: 1244-UP

2шт.

Выбрано товаров: 28