Запчасти Komatsu D61PX-15 H.S.S.(CARRIRER) F [СИЛОВАЯ ПЕРЕДАЧА И КОНЕЧНАЯ ПЕРЕДАЧА]

Схема запчастей Komatsu D61PX-15 - H.S.S.(CARRIRER) F [СИЛОВАЯ ПЕРЕДАЧА И КОНЕЧНАЯ ПЕРЕДАЧА]
3
6
2
6
7
5
4
8
9
1
5
7
6
2
4
8
9
1
6
3
FIT
1:1
100%

Артикул

Название

Примечание

Количество

|1

134-22-70000

POWER LINE ASSEMBLY

SN: B40001-UP

1шт.

|$2

THIS ASSEMBLY CONSISTS OF ALL PARTS SHOWN IN FIGS.F2300-51A0 TO F2300-64A0.

-1шт.

|1

134-22-71000

STEERING ASSEMBLY

SN: B40001-UP

1шт.

|$4

THIS ASSEMBLY CONSISTS OF ALL PARTS SHOWN IN FIGS.F2300-52A0 TO F2300-55A0.

-1шт.

|1

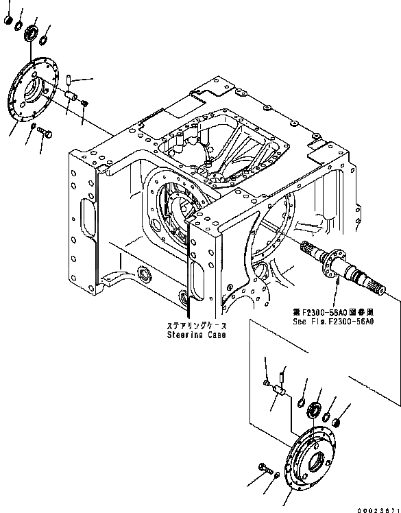
134-22-72400

CARRIER ASSEMBLY

SN: B40001-UP

2шт.

1

154-22-22110

CARRIER

SN: B40001-UP

1шт.

2

14Y-22-22150

GEAR

SN: B40001-UP

4шт.

3

134-22-79380

BEARING

SN: B40001-UP

4шт.

4

154-22-22280

SHAFT

SN: B40001-UP

4шт.

5

07043-70108

PLUG

SN: B40001-UP

4шт.

6

154-15-12550

WASHER

SN: B40001-UP

8шт.

7

14Y-22-22360

PIN

SN: B40001-UP

4шт.

8

01010-81030

BOLT

SN: B40001-UP

24шт.

9

01643-31032

WASHER

SN: B40001-UP

24шт.

Выбрано товаров: 14