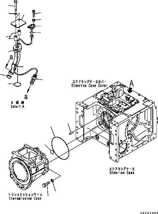
Запчасти Komatsu D61PX-15 СИЛОВАЯ ЛИНИЯ (ДАТЧИК И КРЕПЛЕНИЕ) F [СИЛОВАЯ ПЕРЕДАЧА И КОНЕЧНАЯ ПЕРЕДАЧА]

Схема запчастей Komatsu D61PX-15 - СИЛОВАЯ ЛИНИЯ (ДАТЧИК И КРЕПЛЕНИЕ) F [СИЛОВАЯ ПЕРЕДАЧА И КОНЕЧНАЯ ПЕРЕДАЧА]
11
12
10
2
1
8
7
9
5
4
3
6
1
16
15
17
14
13
FIT
1:1
100%

Артикул

Название

Примечание

Количество

|$1

134-22-70000

POWER LINE ASSEMBLY

SN: B40001-UP

1шт.

|$2

THIS ASSEMBLY CONSISTS OF ALL PARTS SHOWN IN FIGS.F2300-51A0 TO F2300-64A0.

-1шт.

|$3

14Y-22-35501

SENSOR ASSEMBLY

SN: B40001-UP

1шт.

1

14Y-22-35511

SENSOR

SN: B40001-UP

1шт.

2

14Y-22-37410

TUBE

SN: B40001-UP

1шт.

3

14Y-22-37440

CONNECTOR

SN: B40001-UP

1шт.

4

14Y-22-37420

COLLAR

SN: B40001-UP

1шт.

5

01252-70516

BOLT

SN: B40001-UP

1шт.

6

14Y-22-37470

O-RING

SN: B40527-UP

1шт.

|6

41E-16-11220

O-RING

SN: B40001-B40526

1шт.

7

14Y-22-37450

BAND

SN: B40001-UP

1шт.

8

14Y-22-37460

O-RING

SN: B40527-UP

1шт.

8

706-76-71390

O-RING

SN: B40001-B40526

1шт.

9

14Y-22-37430

PLATE

SN: B40001-UP

1шт.

10

6164-11-5590

SPACER

SN: B40001-UP

2шт.

11

01010-81065

BOLT

SN: B40001-UP

2шт.

12

01643-31032

WASHER

SN: B40001-UP

2шт.

13

01010-81650

BOLT

SN: B40001-UP

13шт.

14

01643-31645

WASHER

SN: B40001-UP

13шт.

15

07000-75375

O-RING

SN: B40001-UP

1шт.

16

04020-01228

PIN

SN: B40001-UP

1шт.

17

07000-72075

O-RING

SN: B40001-UP

1шт.

Выбрано товаров: 22