Запчасти Komatsu D61PX-15 ТРАНСМИССИЯ (ФИЛЬТР. И Э/ПРОВОДКА) F [СИЛОВАЯ ПЕРЕДАЧА И КОНЕЧНАЯ ПЕРЕДАЧА]

Схема запчастей Komatsu D61PX-15 - ТРАНСМИССИЯ (ФИЛЬТР. И Э/ПРОВОДКА) F [СИЛОВАЯ ПЕРЕДАЧА И КОНЕЧНАЯ ПЕРЕДАЧА]
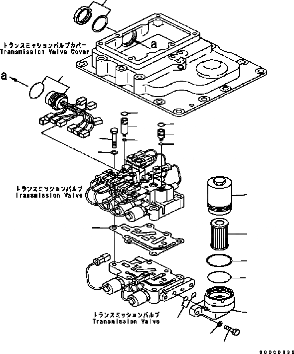
15
15
2
3
6
4
7
6
5
7
8
1
12
14
13
8
10
11
9
FIT
1:1
100%

Артикул

Название

Примечание

Количество

|1

134-15-71000

TRANSMISSION ASSEMBLY

SN: B40001-UP

1шт.

|$2

THIS ASSEMBLY CONSISTS OF ALL PARTS SHOWN IN FIGS.F2320-51A0 TO F2320-62A0.

-1шт.

|1

14X-15-75500

T/M VALVE ASSEMBLY

SN: B40001-UP

1шт.

|$4

THIS ASSEMBLY CONSISTS OF ALL PARTS SHOWN IN FIGS.F2320-57A0 TO F2320-59A0.

-1шт.

1

195-15-75531

GASKET (K3)

SN: B40001-UP

1шт.

2

01010-81055

BOLT

SN: B40001-UP

2шт.

3

01643-31032

WASHER

SN: B40001-UP

2шт.

4

17M-15-45541

PLUG

SN: B40001-UP

3шт.

5

14X-15-25841

PLUG

SN: B40001-UP

2шт.

6

07000-72012

O-RING (K3)

SN: B40001-UP

5шт.

7

07002-11823

O-RING (K3)

SN: B40001-UP

5шт.

8

154-15-65552

FILTER ASSEMBY

SN: B40900-UP

1шт.

|8

154-15-65550

FILTER ASSEMBLY

SN: B40001-B40899

1шт.

9

154-15-65561

ELEMENT

SN: B40900-UP

1шт.

9

154-15-65560

ELEMENT

SN: B40001-B40899

1шт.

10

209-38-12480

O-RING (K3)

SN: B40001-UP

1шт.

11

209-38-12490

RING (K3)

SN: B40001-UP

1шт.

12

07000-72014

O-RING (K3)

SN: B40001-UP

2шт.

13

01010-81035

BOLT

SN: B40001-UP

2шт.

14

01643-31032

WASHER

SN: B40001-UP

2шт.

15

14X-15-27200

WIRING HARNESS

SN: B40001-UP

1шт.

Выбрано товаров: 21