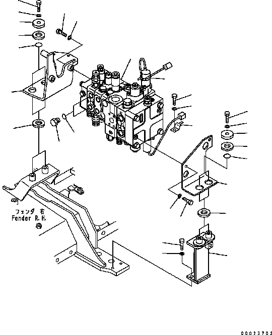
Запчасти Komatsu D61PX-15 УПРАВЛЯЮЩ. КЛАПАН (ДЛЯ СЕКЦ. КЛАПАН) (ДЛЯ ПРЯМОГО ОТВАЛА СПЕЦ-Я.) H [ГИДРАВЛИКА]

Схема запчастей Komatsu D61PX-15 - УПРАВЛЯЮЩ. КЛАПАН (ДЛЯ СЕКЦ. КЛАПАН) (ДЛЯ ПРЯМОГО ОТВАЛА СПЕЦ-Я.) H [ГИДРАВЛИКА]
1
2
5
3
11
3
20
21
8
9
15
19
17
18
16
1
2
5
3
4
12
14
13
6
7
10
3
4
FIT
1:1
100%

Артикул

Название

Примечание

Количество

1

01010-81225

BOLT

SN: B40001-UP

4шт.

2

01643-31232

WASHER

SN: B40001-UP

4шт.

3

14X-60-12120

CUSHION

SN: B40001-UP

8шт.

4

07000-13025

O-RING

SN: B40001-UP

4шт.

5

566-35-42430

PLATE

SN: B40001-UP

4шт.

6

01010-81225

BOLT

SN: B40001-UP

2шт.

7

01643-31232

WASHER

SN: B40001-UP

2шт.

8

01010-81245

BOLT

SN: B40001-UP

2шт.

9

01643-31232

WASHER

SN: B40001-UP

2шт.

10

134-60-71351

BRACKET

SN: B40001-UP

1шт.

11

134-60-71340

BRACKET

SN: B40001-UP

1шт.

12

134-60-71271

BRACKET

SN: B40001-UP

1шт.

13

01010-81025

BOLT

SN: B40001-UP

2шт.

14

01643-31032

WASHER

SN: B40001-UP

2шт.

15

723-24-11200

CONTROL VALVE

SN: B40001-UP

1шт.

16

08193-20010

CLIP

SN: B40001-UP

1шт.

17

01010-81016

BOLT

SN: B40001-UP

1шт.

18

01643-31032

WASHER

SN: B40001-UP

1шт.

19

08034-40521

BAND

SN: B40001-UP

1шт.

20

07040-12012

PLUG

SN: B40001-UP

2шт.

21

07002-12034

O-RING

SN: B40001-UP

2шт.

Выбрано товаров: 0