Запчасти Komatsu D61PX-15 ОСНОВН. КОНСТРУКЦИЯ (КОНТРОЛЬ ХОДА) (РЫЧАГ И КОНСОЛЬ ЛЕВ.) K [КАБИНА ОПЕРАТОРА И СИСТЕМА УПРАВЛЕНИЯ]

Схема запчастей Komatsu D61PX-15 - ОСНОВН. КОНСТРУКЦИЯ (КОНТРОЛЬ ХОДА) (РЫЧАГ И КОНСОЛЬ ЛЕВ.) K [КАБИНА ОПЕРАТОРА И СИСТЕМА УПРАВЛЕНИЯ]
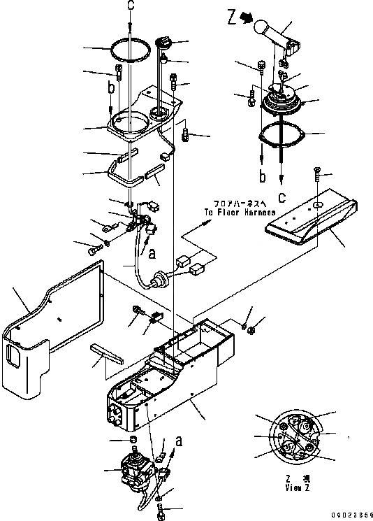
37
38
33
36
34
39
40
38
43
24
32
41
35
10
16
19
18
17
21
15
22
7
6
8
42
12
11
14
13
23
2
9
3
20
1
4
25
30
31
28
26
27
29
5
FIT
1:1
100%

Артикул

Название

Примечание

Количество

1

14X-43-34351

BOX

SN: B40001-UP

1шт.

2

14X-54-38340

BOX

SN: B40001-UP

1шт.

3

702-16-02212

LEVER ASSEMBLY

SN: B40001-UP

1шт.

4

01252-70825

BOLT

SN: B40001-UP

3шт.

5

01643-30823

WASHER

SN: B40001-UP

3шт.

|5

14X-06-31311

WIRING HARNESS

SN: B40001-UP

1шт.

6

154-43-73531

BRACKET

SN: B40001-UP

1шт.

7

0

WIRING HARNESS

SN: B40001-UP

1шт.

8

14X-43-34331

BOOT

SN: B40001-UP

1шт.

9

20T-43-71190

NUT

SN: B40001-UP

1шт.

10

08034-20519

BAND

SN: B40001-UP

2шт.

11

154-43-73641

PAD

SN: B40001-UP

1шт.

12

01224-70408

SCREW

SN: B40001-UP

4шт.

13

154-43-73651

MAGNET

SN: B40001-UP

1шт.

14

01023-10308

SCREW

SN: B40001-UP

4шт.

15

134-06-72122

WIRING HARNESS

SN: B40001-UP

1шт.

|15

08037-12036

GROMMET

SN: B40001-UP

1шт.

16

04435-51408

CLIP

SN: B40001-UP

1шт.

17

01010-80816

BOLT

SN: B40001-UP

1шт.

18

01643-30823

WASHER

SN: B40001-UP

1шт.

19

08193-20010

CLIP

SN: B40001-UP

1шт.

20

08193-31012

CLIP

SN: B40001-UP

1шт.

21

14X-43-34390

PAD

SN: B40001-UP

1шт.

22

01640-20610

WASHER

SN: B40001-UP

8шт.

23

01580-20605

NUT

SN: B40001-UP

8шт.

24

19M-43-33110

KNOB ASSEMBLY

SN: B40001-UP

1шт.

25

19M-09-11510

BOLT

SN: B40001-UP

2шт.

26

19M-43-33140

SWITCH ASSEMBLY

SN: B40001-UP

1шт.

27

19M-43-33170

BRACKET

SN: B40001-UP

1шт.

28

19M-43-33460

SWITCH

SN: B40001-UP

1шт.

29

19M-43-33470

SWITCH

SN: B40001-UP

1шт.

30

19M-43-33150

RUBBER

SN: B40001-UP

1шт.

31

19M-43-33160

COVER

SN: B40001-UP

1шт.

32

01252-80514

BOLT

SN: B40001-UP

3шт.

|33

14X-43-34320

FINISHER

SN: B40001-UP

1шт.

33

154-43-73620

FINISHER

SN: B40001-UP

1шт.

34

14X-54-38310

SHEET

SN: B40001-UP

1шт.

35

14X-54-38320

SHEET

SN: B40001-UP

1шт.

36

14X-54-38330

SHEET

SN: B40001-UP

1шт.

37

14X-54-38350

SHEET

SN: B40001-UP

1шт.

38

01252-70520

BOLT

SN: B40001-UP

4шт.

39

14X-06-31501

DIAL

SN: @-UP

1шт.

39

14X-06-31500

DIAL

SN: B40001-@

1шт.

40

14X-06-31540

METER

SN: B40001-UP

1шт.

41

01023-60410

SCREW

SN: B40001-UP

2шт.

42

14X-43-34341

COVER

SN: B40001-UP

1шт.

43

01023-70414

SCREW

SN: B40001-UP

4шт.

Выбрано товаров: 47