Запчасти Komatsu D61PX-15 ПРИБОРНАЯ ПАНЕЛЬ (С КОНДИЦИОНЕРОМ КОРПУС И ПАНЕЛЬ) (/) K [КАБИНА ОПЕРАТОРА И СИСТЕМА УПРАВЛЕНИЯ]

Схема запчастей Komatsu D61PX-15 - ПРИБОРНАЯ ПАНЕЛЬ (С КОНДИЦИОНЕРОМ КОРПУС И ПАНЕЛЬ) (/) K [КАБИНА ОПЕРАТОРА И СИСТЕМА УПРАВЛЕНИЯ]
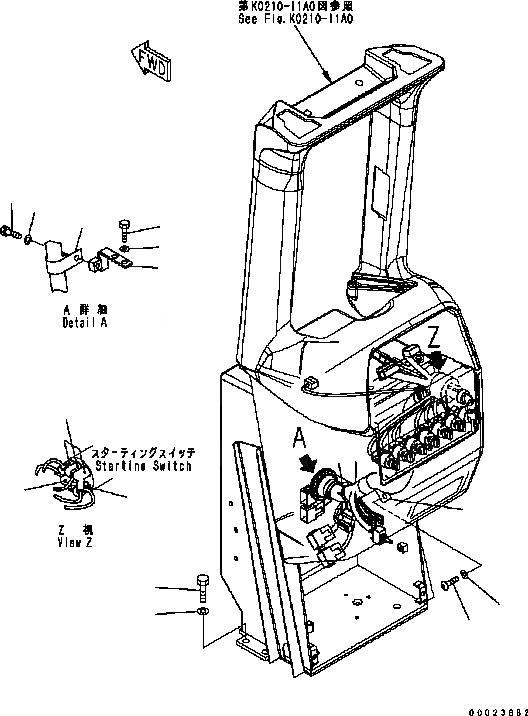
13
14
12
10
11
9
6
6
6
7
8
2
4
3
5
1
FIT
1:1
100%

Артикул

Название

Примечание

Количество

1

154-06-71353

WIRING HARNESS

SN: B40262-UP

1шт.

|1

154-06-71352

WIRING HARNESS

SN: B40001-B40261

1шт.

|1

08501-21506

SWITCH

SN: B40001-UP

1шт.

2

04434-53412

CLIP

SN: B40001-UP

1шт.

3

01245-00816

SCREW

SN: B40001-UP

1шт.

4

01643-70823

WASHER

SN: B40001-UP

1шт.

5

08034-00414

BAND

SN: B40001-UP

2шт.

6

08038-00518

CAP

SN: B40001-UP

5шт.

7

01010-81230

BOLT

SN: B40001-UP

6шт.

8

01643-31232

WASHER

SN: B40001-UP

6шт.

9

134-06-71571

BRACKET

SN: B40001-UP

1шт.

10

07372-21030

BOLT

SN: B40001-UP

2шт.

11

01643-51032

WASHER

SN: B40001-UP

2шт.

12

04434-53411

CLIP

SN: B40001-UP

1шт.

13

01010-81020

BOLT

SN: B40001-UP

1шт.

14

01643-31032

WASHER

SN: B40001-UP

1шт.

Выбрано товаров: 16