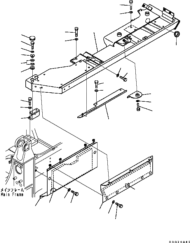
Запчасти Komatsu D61PX-15 КРЫЛО (ЛЕВ.) (ЕС БЕСШУМН. СПЕЦИФ-Я) M [ЧАСТИ КОРПУСА]

Схема запчастей Komatsu D61PX-15 - КРЫЛО (ЛЕВ.) (ЕС БЕСШУМН. СПЕЦИФ-Я) M [ЧАСТИ КОРПУСА]
14A
6
15A
7
1
6
13
11
7
12
5
8
10
23
22
9
22
23
2
19
4
20
3
18
21
17
16
14
15
17
16
FIT
1:1
100%

Артикул

Название

Примечание

Количество

1

134-54-73112

FENDER

SN: B40692-UP

1шт.

2

134-54-63131

COVER

SN: B40692-UP

1шт.

3

01010-81225

BOLT

SN: B40692-UP

1шт.

4

01643-31232

WASHER

SN: B40692-UP

1шт.

5

09415-05022

CAP

SN: B40692-UP

1шт.

6

01010-82050

BOLT

SN: B40692-UP

4шт.

7

01643-32060

WASHER

SN: B40692-UP

4шт.

8

134-54-62541

SPACER

SN: B40692-UP

2шт.

9

134-54-62560

SPACER

SN: B40692-UP

1шт.

10

175-54-27350

SPRING

SN: B40692-UP

4шт.

11

01010-81245

BOLT

SN: B40692-UP

2шт.

12

01643-31232

WASHER

SN: B40692-UP

2шт.

13

09415-03614

CAP

SN: B40692-UP

2шт.

|14

134-B62-5680

COVER

SN: B40692-UP

1шт.

14

134-54-63221

COVER

SN: B40692-UP

1шт.

14A

134-B62-5780

ABSORBER

SN: B40692-UP

1шт.

|15

134-B62-5740

COVER

SN: B40692-UP

1шт.

15

134-54-63240

COVER

SN: B40692-UP

1шт.

15A

134-B62-5760

ABSORBER

SN: B40692-UP

1шт.

16

01010-81225

BOLT

SN: B40692-UP

13шт.

17

01643-31232

WASHER

SN: B40692-UP

13шт.

18

134-54-62532

BRACKET

SN: B40692-UP

1шт.

19

01010-81235

BOLT

SN: B40692-UP

2шт.

20

01643-31232

WASHER

SN: B40692-UP

2шт.

21

134-21-71281

COVER

SN: B40692-UP

1шт.

22

01010-81225

BOLT

SN: B40692-UP

3шт.

23

01643-31232

WASHER

SN: B40692-UP

3шт.

Выбрано товаров: 27