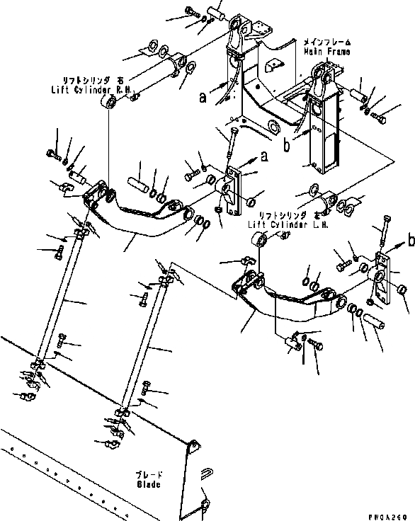
Запчасти Komatsu D61PX-15 РУКОЯТЬ И МЕХАНИЗМ (ПРЯМ. ОТВАЛ С ПЕРЕКОСОМ) T [РАБОЧЕЕ ОБОРУДОВАНИЕ]

Схема запчастей Komatsu D61PX-15 - РУКОЯТЬ И МЕХАНИЗМ (ПРЯМ. ОТВАЛ С ПЕРЕКОСОМ) T [РАБОЧЕЕ ОБОРУДОВАНИЕ]
20
21
23
22
24
24
17
26
25
5
6
16
19
21
23
22
8
11
11
10
9
4
11
10
5
6
18
15
14
15
24
8
3
2
25
20
21
23
22
24
17
26
13
12
7
9
11
11
9
10
11
8
11
10
9
11
8
11
1
19
23
22
21
18
13
2
3
16
FIT
1:1
100%

Артикул

Название

Примечание

Количество

1

13G-71-63110

BRACKET

SN: B40001-UP

1шт.

2

134-71-63182

BUSHING

SN: B40001-UP

2шт.

3

07145-00060

SEAL

SN: B40001-UP

4шт.

4

13G-71-63120

BRACKET

SN: B40001-UP

1шт.

5

134-71-63182

BUSHING

SN: B40001-UP

2шт.

6

07145-00060

SEAL

SN: B40001-UP

4шт.

7

13G-71-63132

ROD

SN: B40001-UP

2шт.

8

134-71-63142

CAP

SN: B40001-UP

4шт.

9

01010-82075

BOLT

SN: B40001-UP

8шт.

10

01643-32060

WASHER

SN: B40001-UP

8шт.

11

426-43-18850

SHIM, 1.0MM

SN: B40001-UP

40шт.

12

134-71-63152

BRACKET

SN: B40001-UP

1шт.

13

134-71-63320

BUSHING

SN: B40001-UP

2шт.

14

134-71-63162

BRACKET

SN: B40001-UP

1шт.

15

134-71-63320

BUSHING

SN: B40001-UP

2шт.

16

134-71-63172

PIN

SN: B40001-UP

2шт.

17

01011-81235

BOLT

SN: B40001-UP

2шт.

18

01596-01211

NUT

SN: B40001-UP

2шт.

19

13G-71-61260

PIN

SN: B40001-UP

2шт.

20

134-72-61521

PIN

SN: B40001-UP

2шт.

21

04082-00212

LOCK

SN: B40001-UP

4шт.

22

01010-81230

BOLT

SN: B40001-UP

8шт.

23

01643-51232

WASHER

SN: B40001-UP

8шт.

24

134-71-63230

SHIM, 2.0MM

SN: B40001-UP

6шт.

25

01011-83000

BOLT

SN: B40001-UP

8шт.

26

01643-33080

WASHER

SN: B40001-UP

8шт.

Выбрано товаров: 26