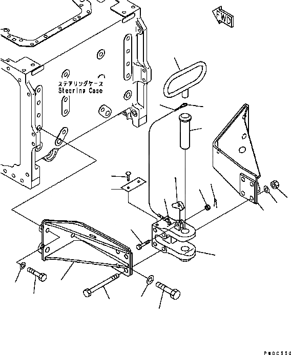
Запчасти Komatsu D61PX-15 СЦЕПНОЕ УСТРОЙСТВО (REGULATION OF ЕС DYNAMIC NOISE) T [РАБОЧЕЕ ОБОРУДОВАНИЕ]

Схема запчастей Komatsu D61PX-15 - СЦЕПНОЕ УСТРОЙСТВО (REGULATION OF ЕС DYNAMIC NOISE) T [РАБОЧЕЕ ОБОРУДОВАНИЕ]
5
3
6
4
17
16
2
7
9
10
8
1
20
21
11
14
18
19
15
12
13
FIT
1:1
100%

Артикул

Название

Примечание

Количество

1

134-69-13140

DRAWBAR ASSEMBLY

SN: B40001-UP

1шт.

2

09245-50060

HOOK (WELDED)

SN: B40001-UP

1шт.

3

09245-04830

CHAIN

SN: B40001-UP

1шт.

4

09247-45180

PIN (WELDED)

SN: B40001-UP

1шт.

5

144-69-11210

HANDLE

SN: B40001-UP

1шт.

6

144-69-11230

PLATE (WELDED)

SN: B40001-UP

1шт.

7

09249-00016

LATCH

SN: B40001-UP

1шт.

8

01052-51260

BOLT

SN: B40001-UP

1шт.

9

01592-11215

NUT

SN: B40001-UP

1шт.

10

04050-13022

PIN

SN: B40001-UP

1шт.

11

144-69-11161

BOLT

SN: B40001-UP

4шт.

12

01643-32460

WASHER

SN: B40001-UP

4шт.

13

01582-12419

NUT

SN: B40001-UP

4шт.

14

134-69-61111

BRACKET, L.H.

SN: B40001-UP

1шт.

15

134-69-61121

BRACKET, R.H.

SN: B40001-UP

1шт.

16

09823-00000

PLATE, NAME

SN: B40001-UP

1шт.

17

04418-13060

SCREW

SN: B40001-UP

2шт.

18

01010-82480

BOLT

SN: B40001-UP

4шт.

19

01643-32460

WASHER

SN: B40001-UP

4шт.

20

01010-83090

BOLT

SN: B40001-UP

2шт.

21

01643-33080

WASHER

SN: B40001-UP

2шт.

Выбрано товаров: 21