Запчасти Komatsu D61PX-15 HSS НАСОС (/) Y [РЕМ. КОМПЛЕКТЫ И COMPONENTS ЧАСТИ]

Схема запчастей Komatsu D61PX-15 - HSS НАСОС (/) Y [РЕМ. КОМПЛЕКТЫ И COMPONENTS ЧАСТИ]
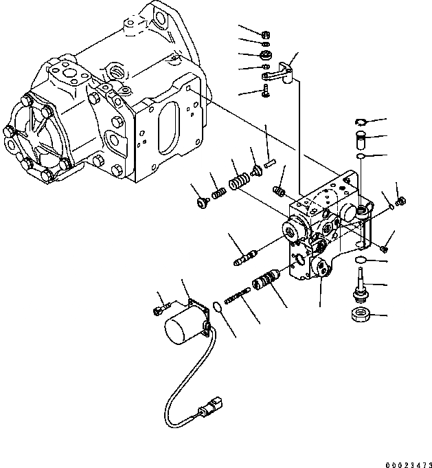
20
19
18
19
17
13
10
11
12
10
3
16
26
24
25
14
15
4
5
7
6
9
8
1
2
23
21
22
FIT
1:1
100%

Артикул

Название

Примечание

Количество

|1

708-1L-00350

PUMP ASSEMBLY

SN: B40001-UP

1шт.

|$2

THIS ASSEMBLY CONSISTS OF ALL PARTS SHOWN IN FIGS.Y1600-01A0 T0 Y1600-06A0.

-1шт.

|1

708-1L-03430

SERVO VALVE ASSEMBLY

SN: B40001-UP

1шт.

|1

0

BODY ASSEMBLY

SN: B40001-UP

1шт.

1

0

BODY, VALVE

SN: B40001-UP

1шт.

2

0

PLUG

SN: B40001-UP

7шт.

3

0

EXPANDER

SN: B40001-UP

2шт.

4

0

SPOOL

SN: B40001-UP

1шт.

5

0

SOLENOID ASSEMBLY

SN: B40001-UP

1шт.

6

0

O-RING

SN: B40001-UP

1шт.

7

0

BOLT

SN: B40001-UP

4шт.

8

0

SLEEVE

SN: B40001-UP

1шт.

9

0

SPOOL

SN: B40001-UP

1шт.

10

0

SEAT

SN: B40001-UP

2шт.

11

0

SPRING

SN: B40001-UP

1шт.

12

0

SPRING

SN: B40001-UP

1шт.

13

0

PISTON

SN: B40001-UP

1шт.

14

0

PLUG

SN: B40001-UP

1шт.

15

0

O-RING

SN: B40001-UP

1шт.

16

0

LEVER

SN: B40001-UP

1шт.

17

0

PIN

SN: B40001-UP

1шт.

18

0

BEARING

SN: B40001-UP

1шт.

19

0

WASHER

SN: B40001-UP

2шт.

20

0

NUT

SN: B40001-UP

1шт.

21

0

PLUG

SN: B40001-UP

1шт.

22

0

NUT

SN: B40001-UP

1шт.

23

0

O-RING

SN: B40001-UP

1шт.

24

0

PLUG

SN: B40001-UP

1шт.

25

0

O-RING

SN: B40001-UP

1шт.

26

0

RING

SN: B40001-UP

1шт.

Выбрано товаров: 0