Запчасти Komatsu D61PX-15 НАСОС ВЕНТИЛЯТОРА (/) Y [РЕМ. КОМПЛЕКТЫ И COMPONENTS ЧАСТИ]

Схема запчастей Komatsu D61PX-15 - НАСОС ВЕНТИЛЯТОРА (/) Y [РЕМ. КОМПЛЕКТЫ И COMPONENTS ЧАСТИ]
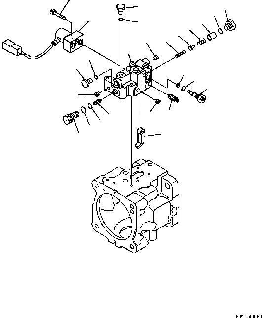
20
10
18
11
21
13
19
9
8
2
7
1
19
18
14
16
15
2
17
2
3
6
5
12
4
FIT
1:1
100%

Артикул

Название

Примечание

Количество

|1

708-1S-00240

PUMP ASSEMBLY

SN: B40001-UP

1шт.

|$2

THIS ASSEMBLY CONSISTS OF ALL PARTS SHOWN IN FIGS.Y1600-11A0 TO Y1600-15A0.

-1шт.

|1

708-1S-01930

PUMP SUB ASSEMBLY

SN: B40001-UP

1шт.

|1

708-1S-03340

VALVE ASSEMBLY

SN: B40001-UP

1шт.

|1

0

BODY SUB ASSEMBLY

SN: B40001-UP

1шт.

1

0

BODY, VALVE

SN: B40001-UP

1шт.

2

0

PLUG

SN: B40001-UP

3шт.

3

0

PISTON

SN: B40001-UP

1шт.

4

0

SLEEVE

SN: B40001-UP

1шт.

5

07002-21623

O-RING

SN: B40001-UP

1шт.

6

07000-B1010

O-RING

SN: B40001-UP

1шт.

7

0

SPOOL

SN: B40001-UP

1шт.

8

0

SEAT

SN: B40001-UP

1шт.

9

0

SPRING

SN: B40001-UP

1шт.

10

0

PLUG

SN: B40001-UP

1шт.

11

07002-21623

O-RING

SN: B40001-UP

1шт.

12

0

LEVER

SN: B40001-UP

1шт.

13

0

RETAINER

SN: B40001-UP

1шт.

14

0

SPACER

SN: B40001-UP

1шт.

15

0

PLUG

SN: B40001-UP

1шт.

16

07002-21023

O-RING

SN: B40001-UP

1шт.

17

20B-27-11210

BLEEDER

SN: B40001-UP

1шт.

18

07040-11007

PLUG

SN: B40001-UP

2шт.

19

07002-21023

O-RING

SN: B40001-UP

2шт.

20

01252-60635

BOLT

SN: B40001-UP

2шт.

21

0

PILOT VALVE

SN: B40001-UP

1шт.

Выбрано товаров: 26