Запчасти Komatsu D61PX-15 ТЕРМОЗАЩИТА B [КОМПОНЕНТЫ ДВИГАТЕЛЯ]

Схема запчастей Komatsu D61PX-15 - ТЕРМОЗАЩИТА B [КОМПОНЕНТЫ ДВИГАТЕЛЯ]
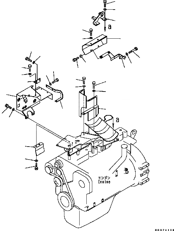
16
17
15
24
25
26
26
25
22
23
6
5
5
6
4
1
2
3
21
11
10
8
9
7
12
14
13
18
20
19
FIT
1:1
100%

Артикул

Название

Примечание

Количество

1

134-01-72651

COVER

SN: B40001-UP

1шт.

2

01010-81020

BOLT

SN: B40001-UP

4шт.

3

01643-31032

WASHER

SN: B40001-UP

4шт.

4

134-01-71370

BRACKET

SN: B40001-UP

1шт.

5

01010-81022

BOLT

SN: B40001-UP

2шт.

6

01643-31032

WASHER

SN: B40001-UP

2шт.

7

134-01-72670

COVER

SN: B40001-UP

1шт.

8

01010-81025

BOLT

SN: B40001-UP

1шт.

9

01643-31032

WASHER

SN: B40001-UP

1шт.

10

01010-81020

BOLT

SN: B40001-UP

1шт.

11

01643-31032

WASHER

SN: B40001-UP

1шт.

12

134-01-72640

BRACKET

SN: B40001-UP

1шт.

13

01010-80865

BOLT

SN: B40001-UP

1шт.

14

01643-30823

WASHER

SN: B40001-UP

1шт.

15

134-01-61151

BRACKET

SN: B40001-UP

1шт.

16

01010-81025

BOLT

SN: B40001-UP

2шт.

17

01643-31032

WASHER

SN: B40001-UP

2шт.

18

134-01-71260

COVER

SN: B40001-UP

1шт.

19

01010-81020

BOLT

SN: B40001-UP

2шт.

20

01643-31032

WASHER

SN: B40001-UP

2шт.

21

134-01-71381

BRACKET

SN: B40001-UP

1шт.

22

01010-81025

BOLT

SN: B40001-UP

2шт.

23

01643-31032

WASHER

SN: B40001-UP

2шт.

24

134-01-72880

COVER

SN: B40001-UP

1шт.

25

01010-81020

BOLT

SN: B40001-UP

4шт.

26

01643-31032

WASHER

SN: B40001-UP

4шт.

Выбрано товаров: 26