Качественные детали и логистика
Оригинальные и аналоговые запчасти с доставкой по России, Казахстану и Беларуси
©2022 PartSell ООО "Система" ИНН 2463123282 ОГРН 1212400004838
Центральный офис: г. Красноярск, Академика Киренского, д.87, пом.4
Телефон: 8 (800) 777-65-74 Email: zakaz@partsell.ru
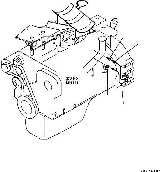
ДАТЧИК ТЕМПЕРАТУРЫ ВОДЫ
№
Артикул
Название
Примечание
Количество
1
7861-93-3320
SENSOR, WATER TEMPERATURE HIGH
SN: B40001-UP
1шт.
2
7861-93-3520
SENSOR, WATER TEMPERATURE LOW
3
565-06-13212
ADAPTER
2шт.
Выбрано товаров: 0